EasyManua.ls Logo

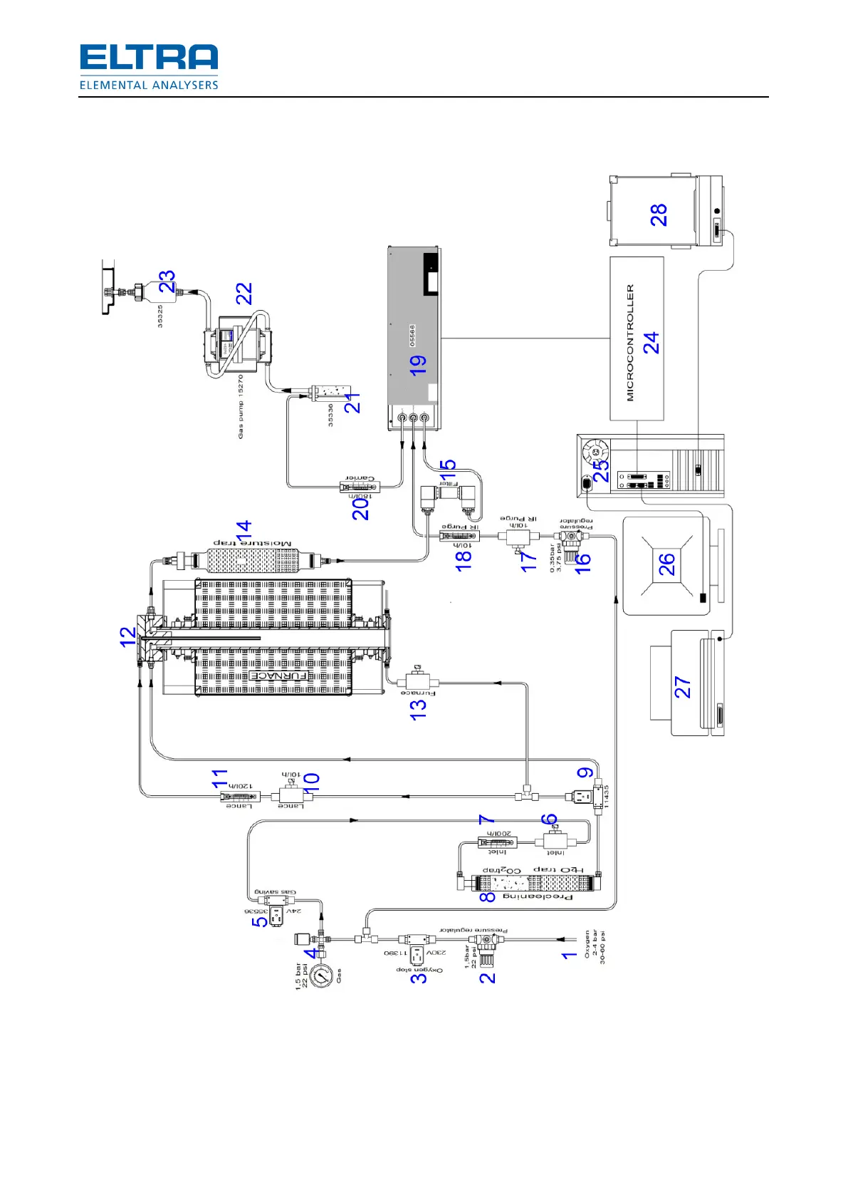
ELTRA CS-580A - Gas flow system

ELTRA CS-580A
70 pages
Print Icon
To Next Page IconTo Next Page
To Next Page IconTo Next Page
To Previous Page IconTo Previous Page
To Previous Page IconTo Previous Page
Loading...
56
8.2 Gas flow system

Table of Contents

Other manuals for ELTRA CS-580A

Related product manuals