EasyManua.ls Logo

EMKO TRANS-AMF - Electrical Connection; Schematic Overview; Connection Notes

EMKO TRANS-AMF
80 pages
Print Icon
To Next Page IconTo Next Page
To Next Page IconTo Next Page
To Previous Page IconTo Previous Page
To Previous Page IconTo Previous Page
Loading...
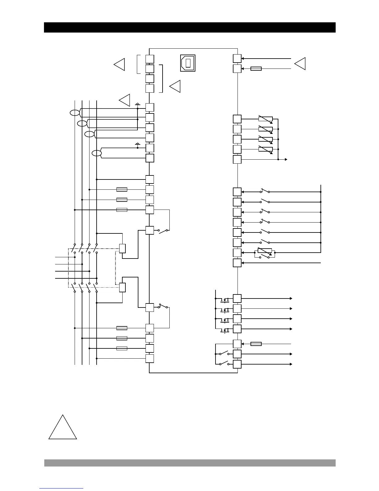
2.3 Electrical Connection
6
TRANS-AMF three phase connections schematic
1- Connect the unit as shown in the appropriate diagram. Be sure to connect the battery
supply the right way round and battery negative should be grounded.
2- The CAN interface requires that a 120 Ohms terminator is fitted to each end of the
communications link. This termination resistor is fitted internally into the unit. So it is not
required externally. The screen is grounded at one end ONLY.
3- Screened cable must be used for connecting the Magnetic Pickup, ensuring that the
screen is grounded at one end ONLY.
4- Current transformers secondary should be grounded.
FUSE-1, FUSE-2, FUSE-5, FUSE-6 2 A. T FUSE-3, FUSE-4 8 A. T
FUSE-7 6 A. T
FUSE-8 Max. 10 A. T
!
25
Level Sender or
Configurable Analog Input-1
Temperature Sender
Oil Sender
24
2335 21
22
BATTERY -
BATTERY +
40
42
41
5A
BATTERY +
27
26
Configurable Analog Input-2
Sender Common
18
19
17
H(+) L(-)
J1939 ECUs
34 33
BATTERY -
32 31
30 29
28
High Temperature or
Configurable Input-5
Low Oil Pressure or
Configurable Input-4
Water Level or
Configurable Input-3
Configurable Input-2
Configurable Output-5
Configurable Output-6
5A
To Engine
Earth
USB
SCR
FUSE-7
FUSE-8
*
*
IT CAN BE USED
AS A DIGITAL INPUT
BY SELECTING
FROM THE PROGRAM
PARAMETERS
* * *
3
1
Configurable Output-3
39 38 37 36
Configurable Output-4
TRANSISTOR OUTPUTS
MAX. 1 A
BATTERY +
20
-(SCR) +
MPU
2
Emergency Stop or
Configurable Input-1
Configurable Input-6
6
27
3
8
8A
8A
1
4
9
10
5
L1
GENERATORMAINS
L2
L3
N
M
LOAD
G
L1
L2
L3
N
El
c r c l
nte lo
ck
e t
i
a
i r
M
e
ha
ni
ca in
r
l
kc l
te
o
c
11 12
13
14
15 16
Mains
Contactor
Relay
Generator
Contactor
Relay
FUSE-1
FUSE-2
FUSE-3
FUSE-4
FUSE-5
FUSE-6
4
!
!
!
!
Fuel Or
Configurable Output-1
Crank Or
Configurable Output-2
D+(W.L.)
Charge Alt.
Max. 300VV Max. 300VV
Cabin Temperature or
Configurable Input-7

Table of Contents

Other manuals for EMKO TRANS-AMF

Related product manuals