EasyManua.ls Logo

Epson LX-810

Epson LX-810
176 pages
To Next Page IconTo Next Page
To Next Page IconTo Next Page
To Previous Page IconTo Previous Page
To Previous Page IconTo Previous Page
Loading...
REV.-A
\,
o
\\
cm
u+”
A
0$
0:
o
0
0
+
b
r.
b
L
o
v
L
m
~
n
n.
n.
PORT
D
II
PORT C
II
PORT B
H
PORT A
J
m
I
1
I
I
(
m
=7
ID
H
Q
!7
v
m
0
C-4
xx
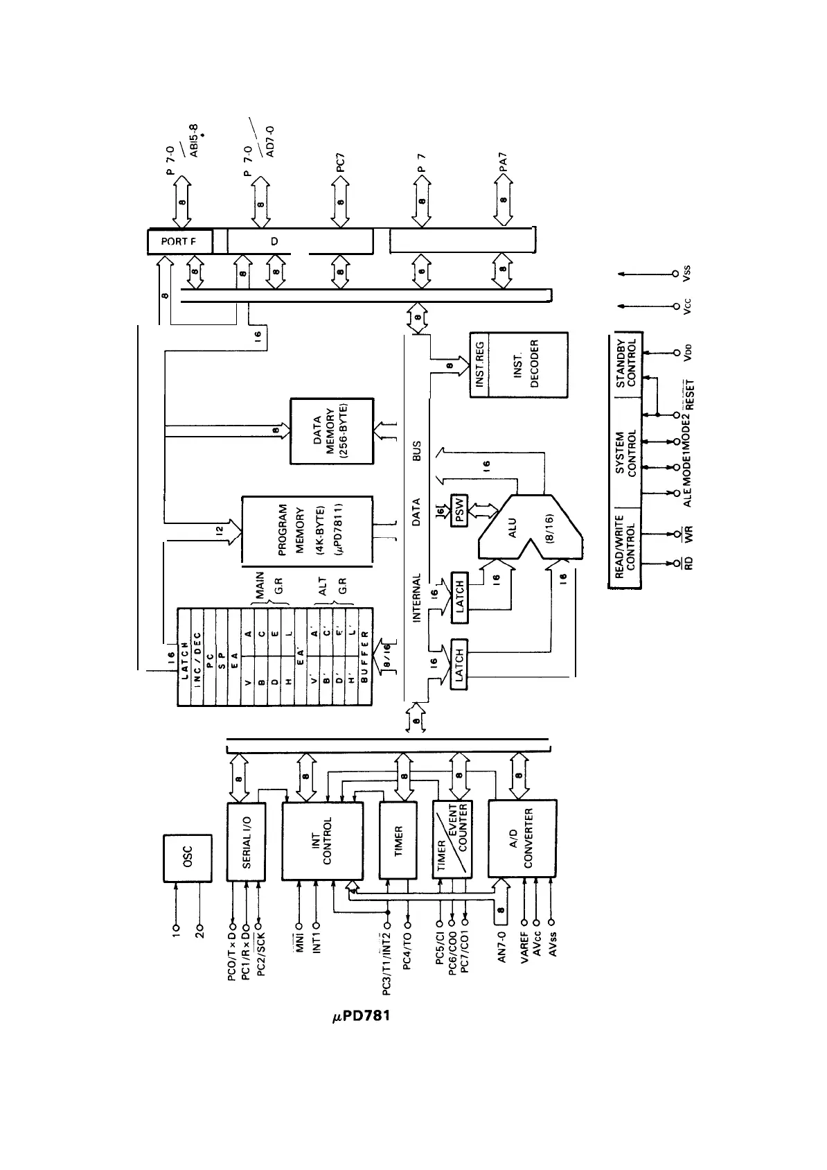
Figure A-2. KPD781 0/7811 HG Block Diagram
A-3

Table of Contents

Other manuals for Epson LX-810

Related product manuals