EasyManua.ls Logo

ESAB A120 - Appendix 6: System Schematic, 400;600 V Units

ESAB A120
137 pages
Print Icon
To Next Page IconTo Next Page
To Next Page IconTo Next Page
To Previous Page IconTo Previous Page
To Previous Page IconTo Previous Page
Loading...
CUTMASTER A120
APPENDIX 0-5430
A-10
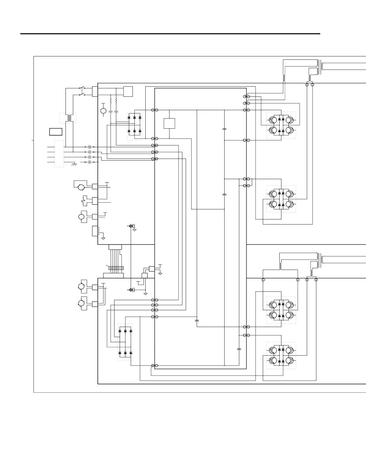
APPENDIX 6: SYSTEM SCHEMATIC, 400/600V UNITS
A-09130new
A-09130new
+12VDC
+12VDC
+12VDC
+12VDC
+5VDC
+12VDC
+12VDC
+12VDC
+12VDC
24VAC
4
2X1330
42X133042X1330
_
OVER PRESSURE
INTERNAL ERROR
SHORTED TORCH
CONSUMABLES MISSING
START ERROR
PARTS IN PLACE
INPUT POWER
UNDER PRESSURE
ERROR IND
FAULT
PCB3
INRUSH
RESISTORS
LATCH
SET
RUN
RAR
MAX
90
85
80
75
70
65
MIN
TP1
TP2
TP3
TP4
TP5
TP6
TP7
LOGIC PCB
GND
+12 VDC
+5 VDC
3.3 VDC
0.v - 5.0 VDC / 0-100PSI
1.8 VDC
CURRENT DEMAND
TEST POINTS
TEMP
CIRCUIT
3.3VDC
TXD
RXD
Q2
D
SERIAL PORT
80
81
82
83
E64
E35
78
79
-
+
ATC CONNECTOR
GND1
GND2
+12V1
48V1
I_DMD_1
TIP_SEN
COMMON
COMMON
+12 VDC SUPPLY
+48 VDC SUPPLY
CURRENT DEMAND
TIP DRAG SENSE
TEST POINTS
J2
_
J1
CNC PINOUT
OK-TO-MOVE
/PIP
PCB1
+
+
+
+
Q1
/START
/SOLENOID
24VAC RETURN
24VAC SUPPLY
MAIN PCB ASSY
/OVERTEMP
TEMP
CIRCUIT
PRESSURE
TRANSDUCER
AIR
INLET
FILTER
REGULATOR
SOLENOID
VALVE
ATC
GAS CONTROL
0-100PSI / 0-4.5VDC
/INRUSH
/OVERTEMP
D3
D1
(5A @ 250VAC / 30VDC)
C
D
B
A
1TORCH
_
AUTOMATION
TORCH SOLENOID
Q2
_
1
2
3
4
5
6
7
8
9
10
11
12
13
14
15
16
17
18
19
20
21
22
23
24
25
26
29
34
35
36
37
38
39
-V_OUT_SIGNAL
/TIP_VOLTS
/TIP_SENSE
/460V_IN
/230V_IN
CUR_SET
/RAR (RAPID AUTO RESTART)
/INRUSH
/W1_ON
SHDN
/TORCH_SOLENOID
/SOLENOID_ON
/OK_TO_MOVE
/FAN_ON
/LATCH_ACTIVE
/TORCH_SWITCH
/PIP
AC_ON
CSR
/TORCH_SOLENOID_DETECT
/OVERTEMP
V_IN
+12VDC
+12VDC
COMMON
COMMON
MAIN_PCB_ID
460_IN
+3.3VDC
TXD
RXD
COMMON
D
M-L
M-L
M-L
L-M
L-M
L-M
L-M
L-M
L-M
L-M
L-M
L-M
L-M
L-M
L-M
M-L
M-L
M-L
M-L
M-L
M-L
M-L
M-L
M-L
M-L
M-L
M-L
M-L
L-M
M-L
M-L
L-M
M-L
40 PIN RIBBON CABLE SIGNALS
B
A
PCB5
40/50 AMP PCB
PCB2
Q1
FAN
/FAN
FAN
D2
D1
C
D
INPUT CAPACITOR PCB
1 /OVERTEMP
2 /FAN_ON
3 /CSR
4 CUR_SET
5 MAIN_PCB_ID
6 COMMON
SYNC
OK TO MOVE
}
}
FULL FEATURED AUTOMATION INTERFACE PCB OPTION
/START / STOP
SYNC
FAN
9
8
7A
PRIMARY POWER CONNECTIONS:
USE L1, L2, L3 & GND
L1
L2
L4
L3
T2
T1
T4
T3
24VAC RET
5
6
7
L2
L1
GND
L3
/FAN
BIAS
SUPPLY
+12VDC
BIAS
SUPPLY
FERRITE
FILTER
FERRITE
FILTER
CNC INTERFACE STANDARD ON A80 & A120 UNITS
CNC INTERFACE OPTIONAL ON CM102 & CM152 UNITS
*
EMI
CHOKE
EMI
FILTER
1
2
3
4
1
2
3
4
*
*
380/400/415V
OR 600V
3 PH AC INPUT
CE UNITS
ONLY
*CM102/35mm/A80
C7 & C10 may not be installed
MTH4MTH4
TP3TP3
WORK1WORK1
AC3AC3
J2J2
1
2
-V OUT 1-V OUT 1
NTCNTC
J9J9
ACAC
AC2AC2
J2J2
2
3
4
5
6
7
8
9
10
11
12
13
14
1
MTH7MTH7
9090
MOT3MOT3
+-
+
C3,C4,C7,C8*
+
C3,C4,C7,C8*
CHOKE1CHOKE1
SOL 1SOL 1
MTH6MTH6
SEC1SEC1
J14J14
J3J3
3
2
1
PRI 2 PRI 2
Q5
PILOT IGBT
Q5
PILOT IGBT
80A_AC280A_AC2
J13J13
1
2
3
4
5
6
J10J10
1
2
3
4
5
6
7
8
PRI 3PRI 3
80A_AC380A_AC3
SEC1SEC1
TS1TS1
PMTH2PMTH2
8585
+
C16-17
+
C16-17
MTH8MTH8
J4J4
1
2
3
4
5
AC1AC1
PRI 2PRI 2
L2L2
ERRORERROR
NTCNTC
K1K1
TIP1TIP1
PRI 4 PRI 4
7070
MINMIN
D78 CSRD78 CSR
1
2
3
J7J7
1
2
T1T1
MTH2MTH2
SW1SW1
1 3
2 4
MOT1MOT1
+ -
PMTH1PMTH1
PRI 1PRI 1
TORCH SWITCHTORCH SWITCH
PMTH3PMTH3
ELECTRODE1ELECTRODE1
J4J4
1
2
3
4
5
6
7
8
9
10
W1W1
SEC2SEC2
J1J1
1
2
AC2AC2
40A_AC240A_AC2
MOT2MOT2
+-
SEC2SEC2
AC1AC1
W1W1
PMTH1PMTH1
Current ControlCurrent Control
J5J5
1
2
3
+
C12-13
+
C12-13
TP4TP4
PRI 1 PRI 1
DCDC
CHOKE1CHOKE1
MAXMAX
J11J11
1
2
J6J6
1
2
80A_AC180A_AC1
J1J1
1
2
3
4
5
GASGAS
6565
PMTH4PMTH4
AC3AC3
PRI 4PRI 4
TP2TP2
PRI 3PRI 3
J1J1
1
2
3
4
5
6
7
8
40A_AC340A_AC3
L1L1
OVERTEMPOVERTEMP
TP5TP5
P10P10
1
2
3
4
5
6
7
8
+OUT_1+OUT_1
PRI 1PRI 1
T2T2
D1D1
PMTH4PMTH4
MTH1MTH1
8080
1
2
3
4
5
6
7
8
PRI 2PRI 2
7575
PIP SWITCHPIP SWITCH
TP1TP1
+
C5,C6,C9,C10*
+
C5,C6,C9,C10*
TP8TP8
40A_AC140A_AC1
D59 PCRD59 PCR
J3J3
1
2
PMTH3PMTH3
J9J9
1
2
3
4
5
6
7
WORKWORK
PMTH2PMTH2
J2J2
1
2
+12V
-
1
2
3
4
5
6
7
8
9
10
11
12
13
14
J1
1
2
3
4
5
6
7
8
*
J2
OK TO MOVE
ISO GND
SW1
DIVIDED ARC VOLTAGE (-)
DIVIDED ARC VOLTAGE (+)
COMMON
PLATE CONTACT COM
PLATE CONTACT OUT
OK TO MOVE
OK TO MOVE
OHMIC
START / STOP (com)
START / STOP
OK TO MOVE
1
-V0_1
1
TIP
To -V OUT 1
on PCB1
OHMIC
SENSE
CIRCUITS
VOLTAGE
DIVIDER
CIRCUITS
+
To TIP1
on PCB1
1
2
3
4
5
6
7
8
P10
PCB4
AUTOMATION
INTERFACE PCB
(w / OHMIC)
START / STOP
DIV1-1 ON = 16.7:1 for SC11
DIV1-2 ON = 20:1 for ESAB
DIV1-3 ON = 30:1
DIV1-4 ON = 40:1 for Inova
DIV1-5 ON = 50:1 for IHT:
SC3000 & 3100; Hypertherm
®
DIV1-6 ON = 80:1 for TD iHC
DIVIDE RATIO SET BY DIP SW DIV1
CONTACT
OK to MOVE
M-ARC
START
123456
DIV1
CONTACT
ISO GND

Table of Contents

Related product manuals