EasyManua.ls Logo

Evolveo DoorPhone AP1 - Page 32

Evolveo DoorPhone AP1
Print Icon
To Next Page IconTo Next Page
To Next Page IconTo Next Page
To Previous Page IconTo Previous Page
To Previous Page IconTo Previous Page
Loading...
32
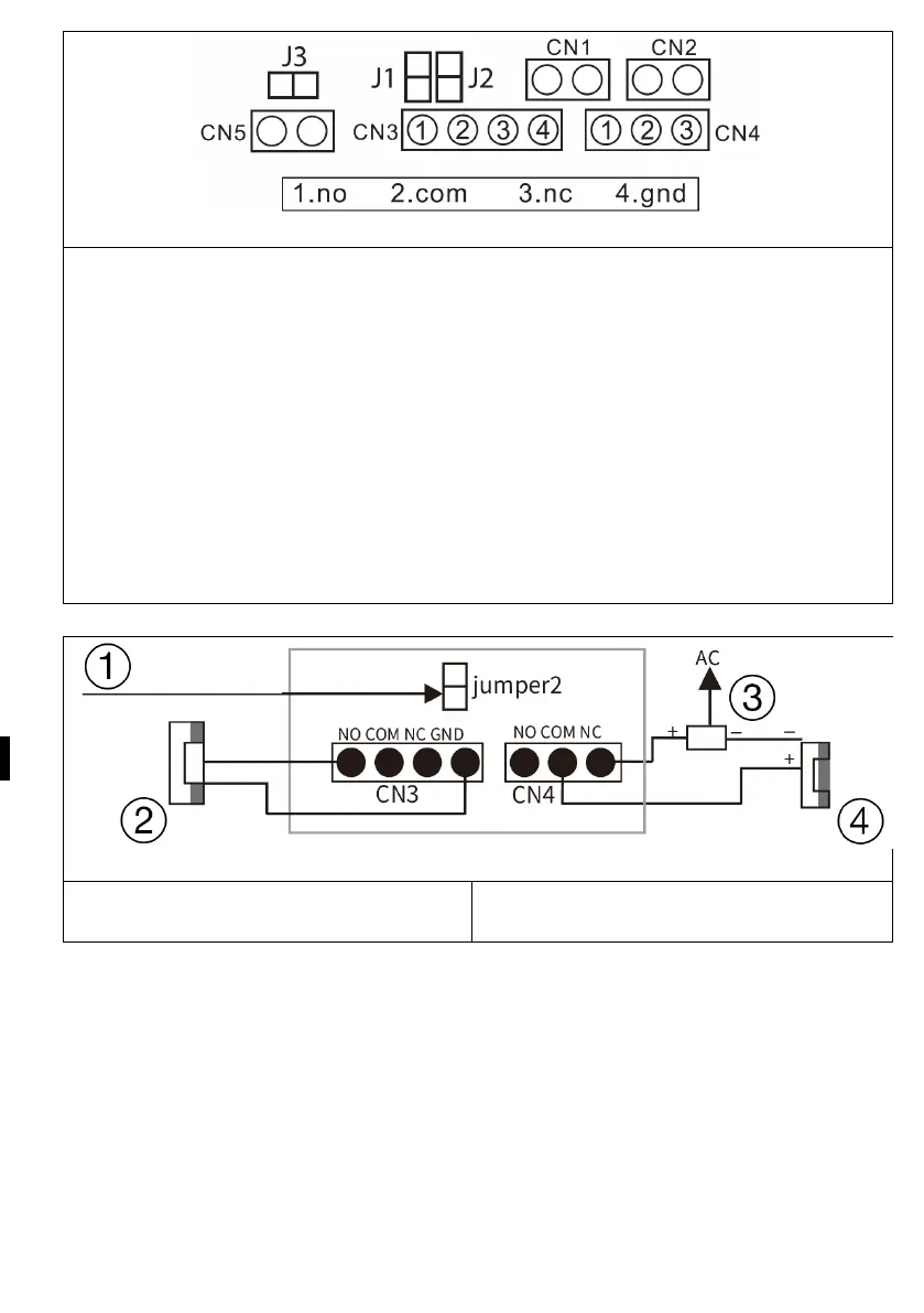
Pohľad zozadu
1. NO 2. COM 3. NC 4. GND
prepojka 2: pripojte ako výstup napájania CN3, odpojte ako CN3 bez výstupu
napájania.
prepojka 1: odpojenie ako CN3 pre pripojenie elektronického zámku.
jumper 3: pre ID dverovej stanice, pripojenie ako id 1, odpojenie ako id 2.
CN1: pre koncové tlačidlo zámku CN3.
CN2: pre koncové tlačidlo zámku CN4.
CN3: Na uzamknutie 1 (dverová stanica môže ponúknuť napájani
e
el
ektronickému zámku, magnetický zámok musí byť pripojený k externému zdroju
napájania).
CN4: K zámku 2 (zámok musí byť pripojený k externému napájaniu, NO a COM
pripojené k magnetickému zámku, NC a COM pripojené k elektronickému zámku).
Podrobné pripojenie So schémou zámku
1) pripojenie ako výstupný výkon
2) elektrický zámok
3) napájanie
4) Magnetický zámok

Table of Contents

Related product manuals