EasyManua.ls Logo

Evolveo DoorPhone AP1 - Diagram of Standard Set Ap1

Evolveo DoorPhone AP1
Print Icon
To Next Page IconTo Next Page
To Next Page IconTo Next Page
To Previous Page IconTo Previous Page
To Previous Page IconTo Previous Page
Loading...
58
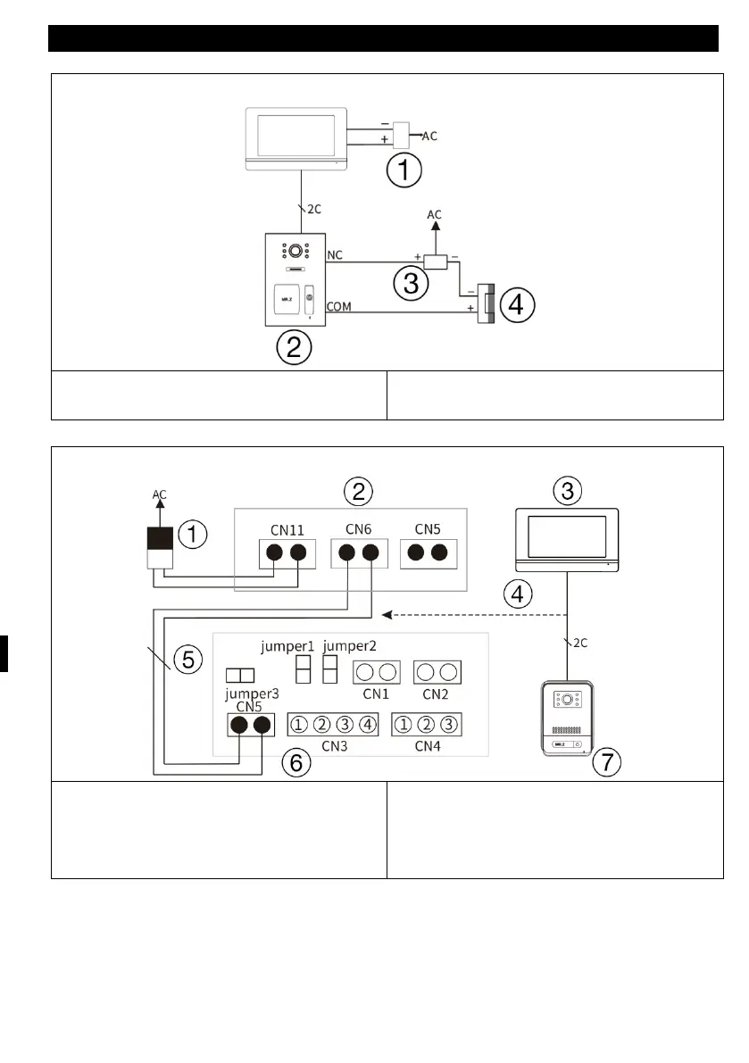
DIAGRAM OF STANDARD SET AP1
(1 outdoor station for 1 indoor monitor)
1) power adapter
2) outdoor stations
3) power supply
4) Magnetic lock
Detailed connection diagram
1) input/adapter
2) internal monitor rear view
3) internal monitor
4) connection detail 2 wires
5) 2 wires
6) Outdoor unit connectors
7) outdoor stations
Remark: 18V1A adapter as power supply:
1. Diameter 0,2 mm 2 wires - cable length max 40 meters.
2.
D
iameter 0,5 mm 2 wires - cable length max 80 meters.
3. Diameter 0,75 mm 2 wires - cable length max 120 meters.

Table of Contents

Related product manuals