EasyManua.ls Logo

Evolveo DoorPhone AP1 - Page 57

Evolveo DoorPhone AP1
Print Icon
To Next Page IconTo Next Page
To Next Page IconTo Next Page
To Previous Page IconTo Previous Page
To Previous Page IconTo Previous Page
Loading...
57
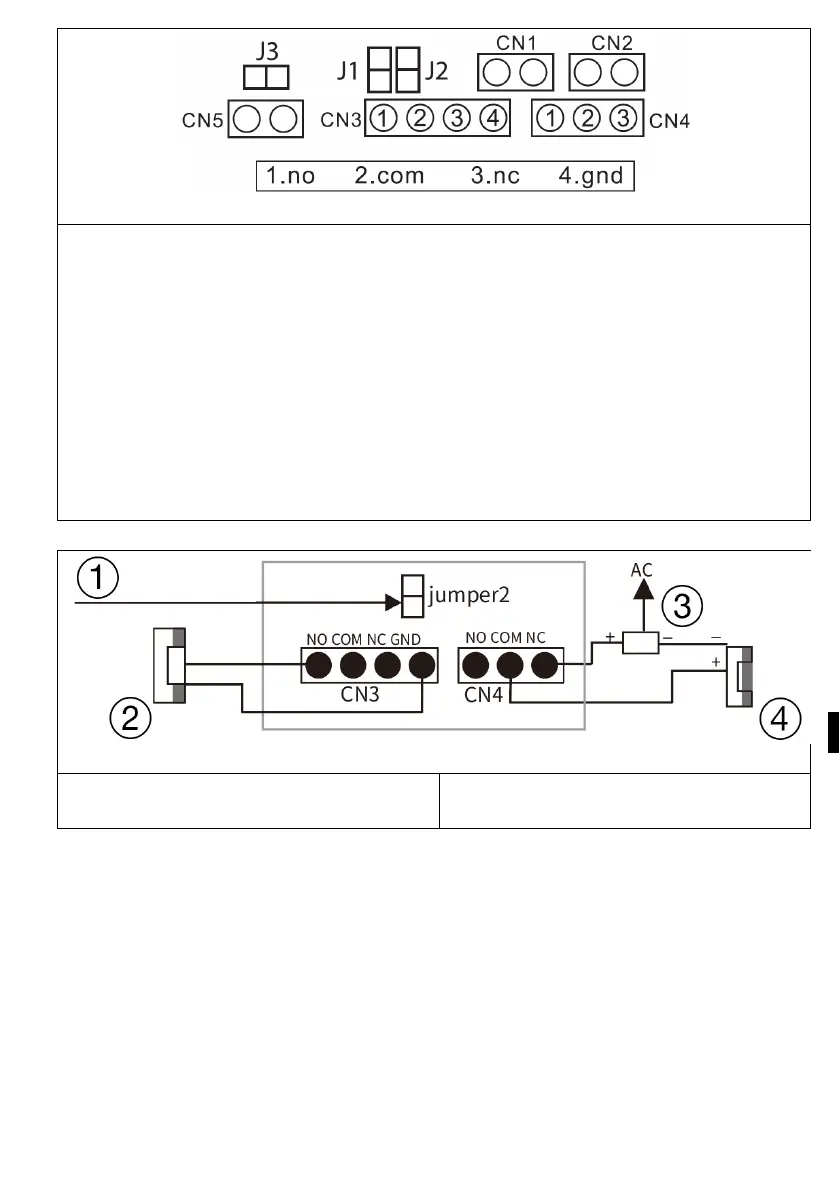
Rear view
1. NO 2. COM 3. NC 4. GND
jumper 2: connect as CN3 power output, disconnect as CN3 without power
output.
jumper 1: disconnection as CN3 for connection of electronic lock.
jumper 3: for door station ID, connection as id 1, disconnection as id 2.
CN1: for the lock end button CN3.
CN2: for the lock end button CN4.
CN3: To lock 1 (the door station can offer power to the electronic lock, th
e
m
agnetic lock must be connected to an external power source).
CN4: To lock 2 (lock must be connected to external power supply, NO and COM
connected to magnetic lock, NC and COM connected to electronic lock).
Detailed connection With the lock diagram
1) connection as Output power
2) electric lock
3) power supply
4) Magnetic lock

Table of Contents

Related product manuals