EasyManua.ls Logo

Evolveo DoorPhone AP1 - Schéma Štandardnej Sady Ap1

Evolveo DoorPhone AP1
Print Icon
To Next Page IconTo Next Page
To Next Page IconTo Next Page
To Previous Page IconTo Previous Page
To Previous Page IconTo Previous Page
Loading...
33
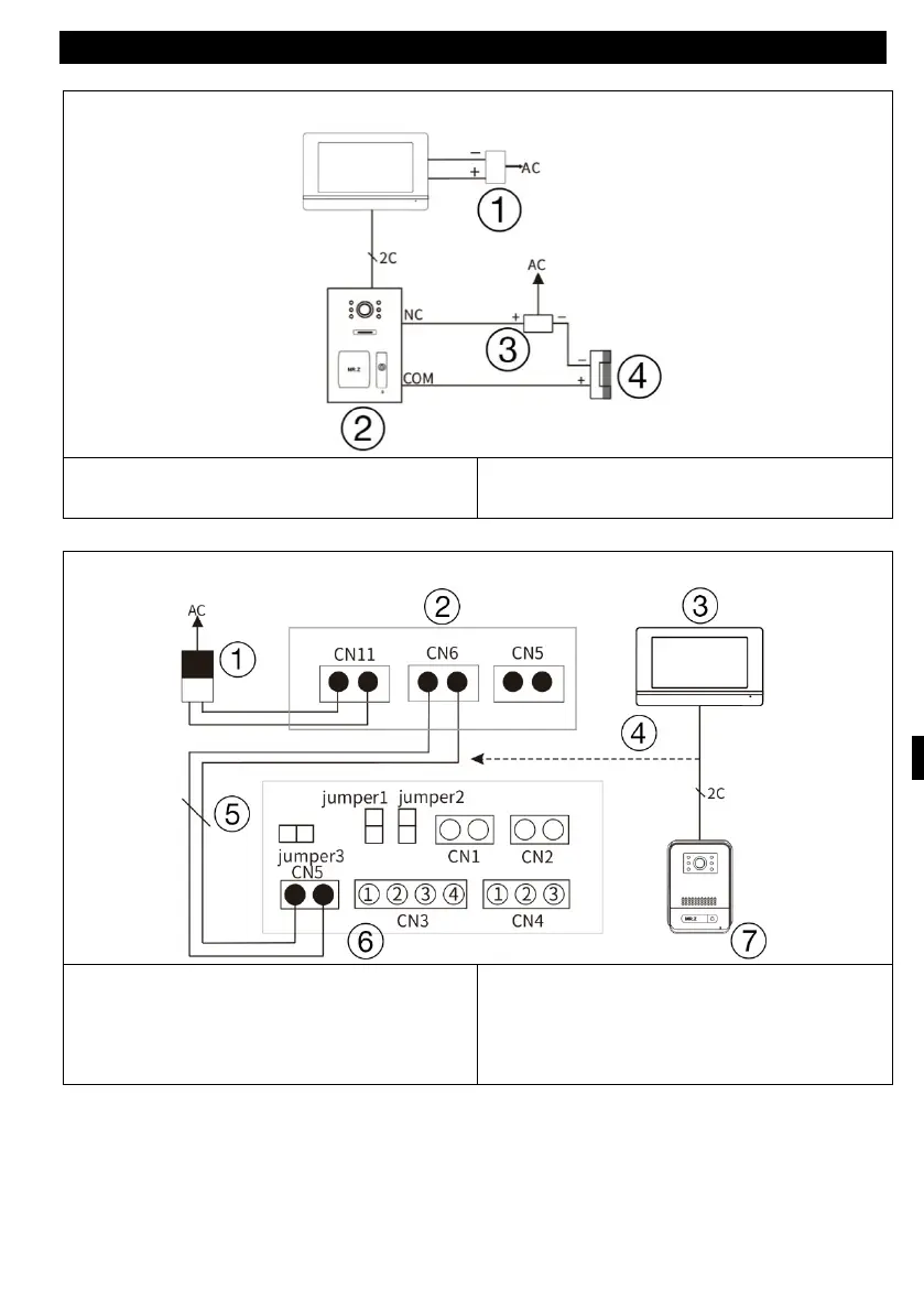
SCHÉMA ŠTANDARDNEJ SADY AP1
(1 vonkajšia stanica pre 1 vnútorný monitor)
1) napájací adaptér
2) vonkajšie stanice
3) napájanie
4) Magnetický zámok
Podrobná schéma pripojenia
1) vstup/adaptér
2) zadný pohľad na vnútorný monitor
3) interný monitor
4) detail pripojenia 2 vodiče
5) 2 vodiče
6) Konektory vonkajšej jednotky
7) vonkajšie stanice
Poznámka: 18V1A adaptér ako napájací zdroj:
1. Priemer 0,2 mm 2 vodiče - dĺžka kábla max. 40 metrov.
2.
P
riemer 0,5 mm 2 vodiče - dĺžka kábla max. 80 metrov.
3.
P
riemer 0,75 mm 2 vodiče - dĺžka kábla max. 120 metrov.

Table of Contents

Related product manuals