EasyManua.ls Logo

Evolveo DoorPhone AP1 - Page 82

Evolveo DoorPhone AP1
Print Icon
To Next Page IconTo Next Page
To Next Page IconTo Next Page
To Previous Page IconTo Previous Page
To Previous Page IconTo Previous Page
Loading...
82
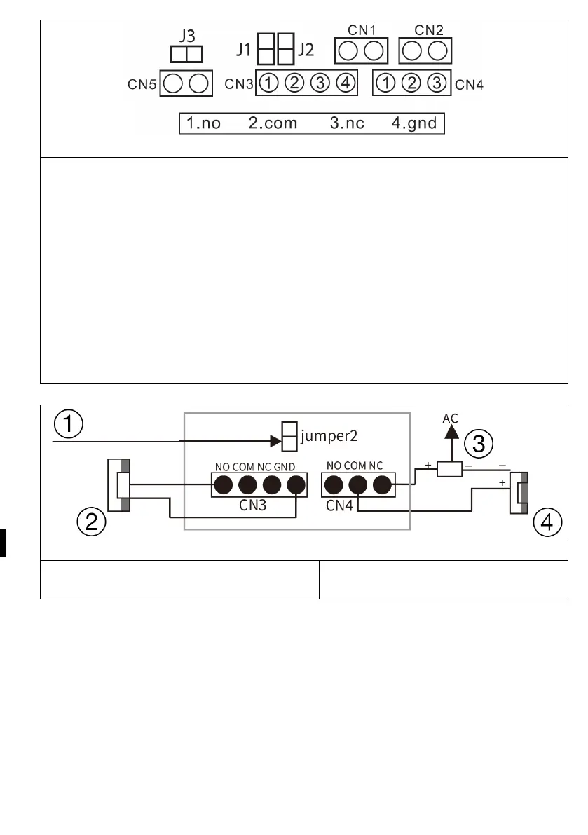
Hátsó nézet
1. NEM 2. COM 3. NC 4. GND
2. jumper: CN3 tápkimenetként csatlakoztatható, CN3 tápkimenet nélkül
leválasztható.
1. jumper: CN3-nak megfelelő lekapcsolás az elektronikus zár csatlakoztatásához.
3. jumper: az ajtóállomás azonosítójához, csatlakoztatás 1-es azonosítóként,
leválasztás 2-es azonosítóként.
CN1: a záró véggombhoz CN3.
CN2: a záró véggombhoz CN4.
CN3: Az 1. zárhoz (az ajtóállomás képes áramot biztosítani az elektronikus zárnak,
a mágneses zárat külső áramforráshoz kell csatlakoztatni).
CN4: A 2. zárhoz (a zárnak külső tápegységhez kell csatlakoznia, NO és COM
mágneses zárhoz, NC és COM elektronikus zárhoz).
Részletes csatlakozás A zár diagramjával
1) csatlakozás kimeneti teljesítményként
2) elektromos zár
3) tápegység
4) Mágneses zár

Table of Contents

Related product manuals