EasyManua.ls Logo

FläktGroup Multi-DENCO - Page 80

FläktGroup Multi-DENCO
144 pages
Print Icon
To Next Page IconTo Next Page
To Next Page IconTo Next Page
To Previous Page IconTo Previous Page
To Previous Page IconTo Previous Page
Loading...
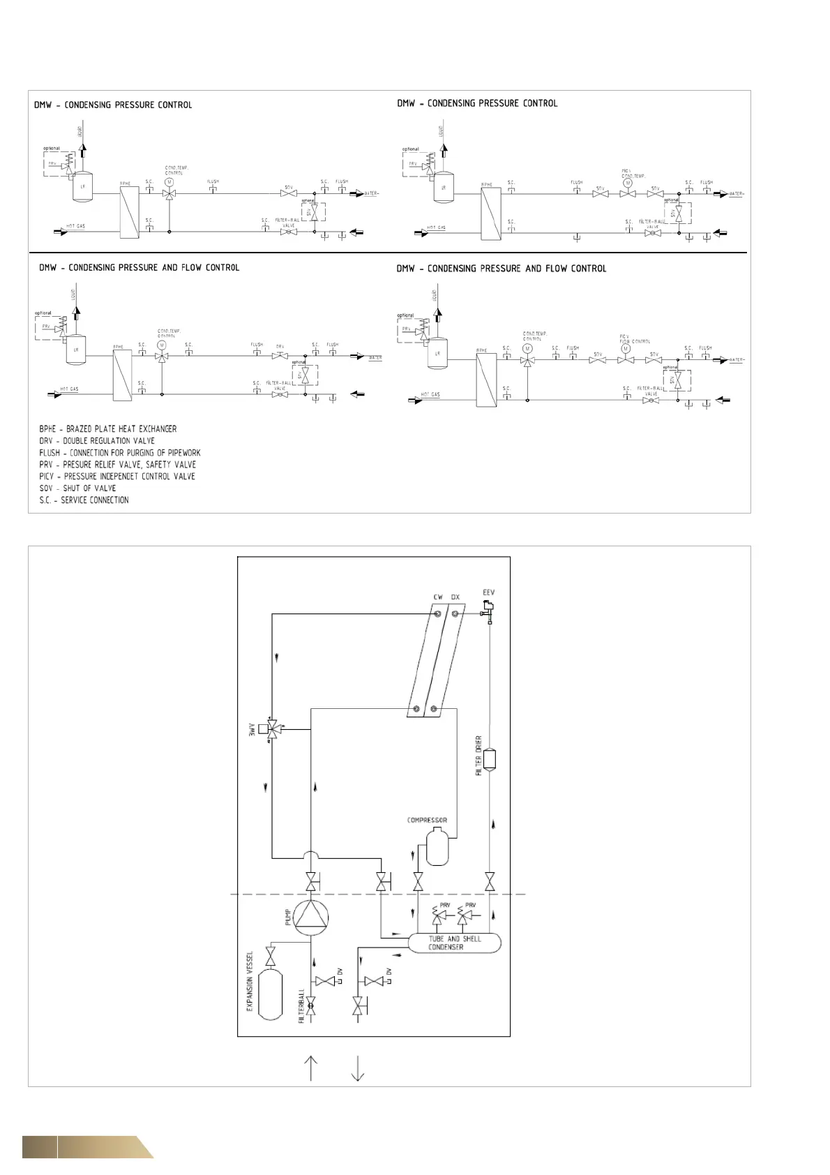
Medium Connections Multi-DENCO
80 FläktGroup DC-2013-0101-GB • Subject to modifications • R5-08/2020
Fig. 6-12: Examples of the W-Version
Fig. 6-13: Example of P-version

Table of Contents

Related product manuals