EasyManua.ls Logo

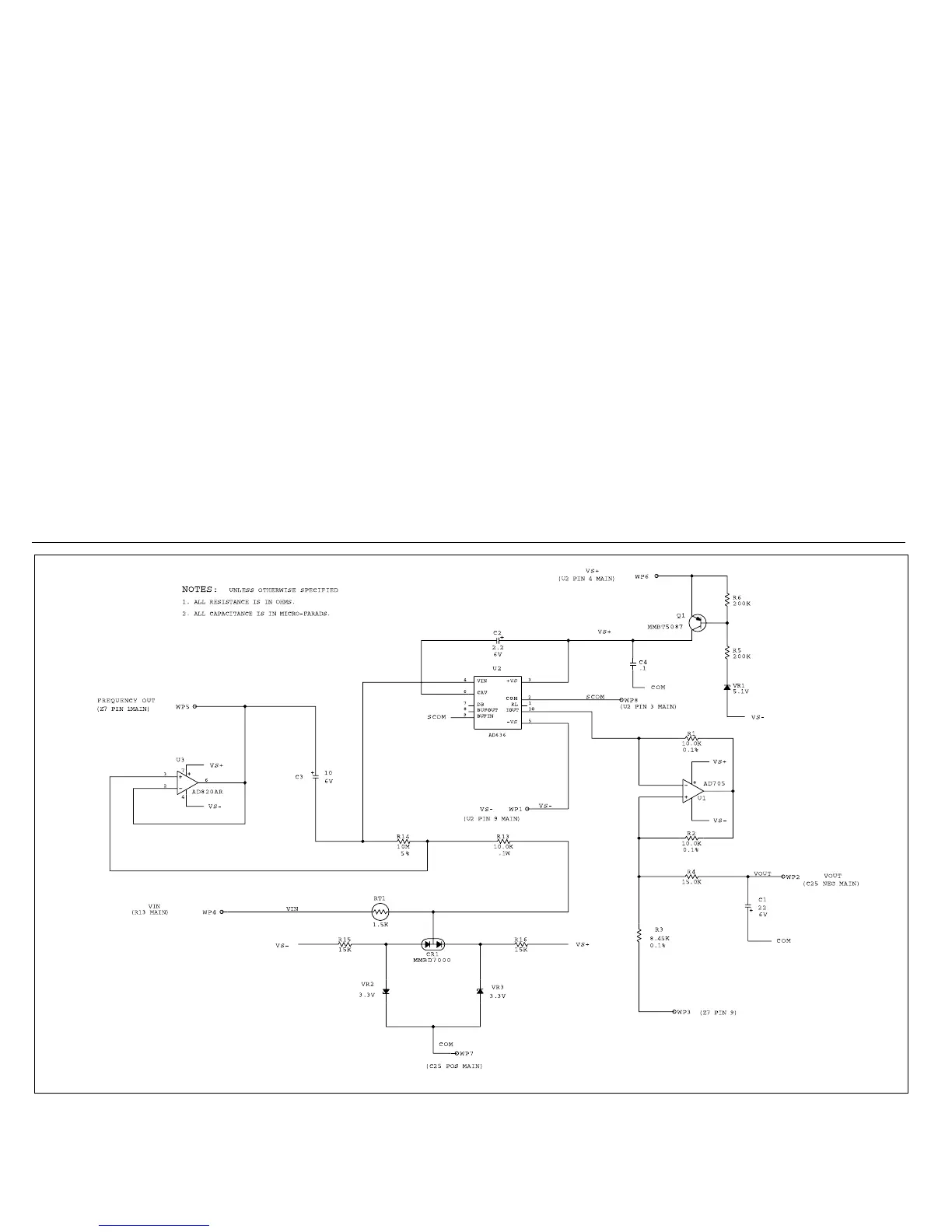
Fluke 8060A - A3 rms PCB Schematic Diagram

Fluke 8060A
140 pages
Print Icon
To Previous Page IconTo Previous Page
To Previous Page IconTo Previous Page
Loading...
8060A
Instruction Manual
7-8
8060A-1003
iu61f.eps
Figure 7-6. A3 rms PCB Schmatic Diagram

Table of Contents

Other manuals for Fluke 8060A

Related product manuals