EasyManua.ls Logo

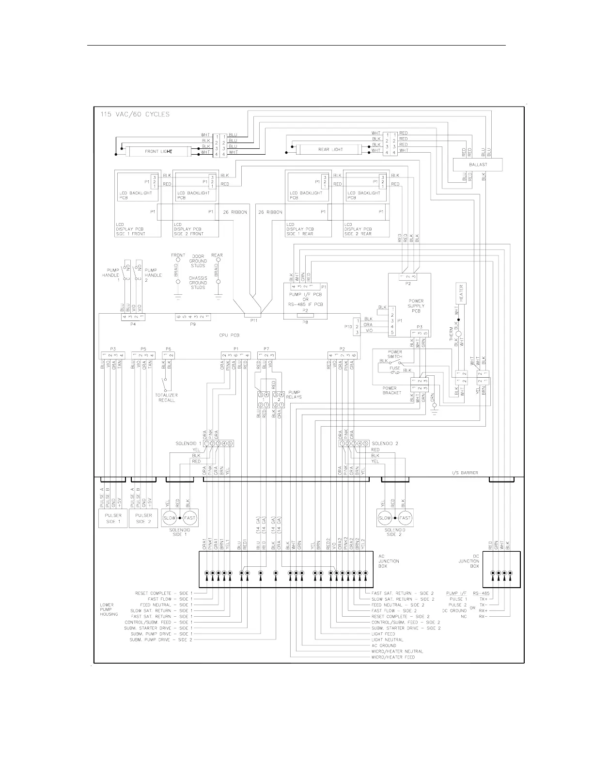
Gasboy 9800A Series - 115 VAC;60 Cycle Dispenser Wiring

Gasboy 9800A Series
77 pages
Print Icon
To Next Page IconTo Next Page
To Next Page IconTo Next Page
To Previous Page IconTo Previous Page
To Previous Page IconTo Previous Page
Loading...
GASBOY Series 9800A
2-4 03/07/03
115VAC/60 CYCLE DISPENSER WIRING

Table of Contents

Related product manuals