EasyManua.ls Logo

GE GHDS830EDWS - Advanced Board Diagnostics; Dead Board Troubleshooting Steps

GE GHDS830EDWS
54 pages
Print Icon
To Next Page IconTo Next Page
To Next Page IconTo Next Page
To Previous Page IconTo Previous Page
To Previous Page IconTo Previous Page
Loading...
– 40 –
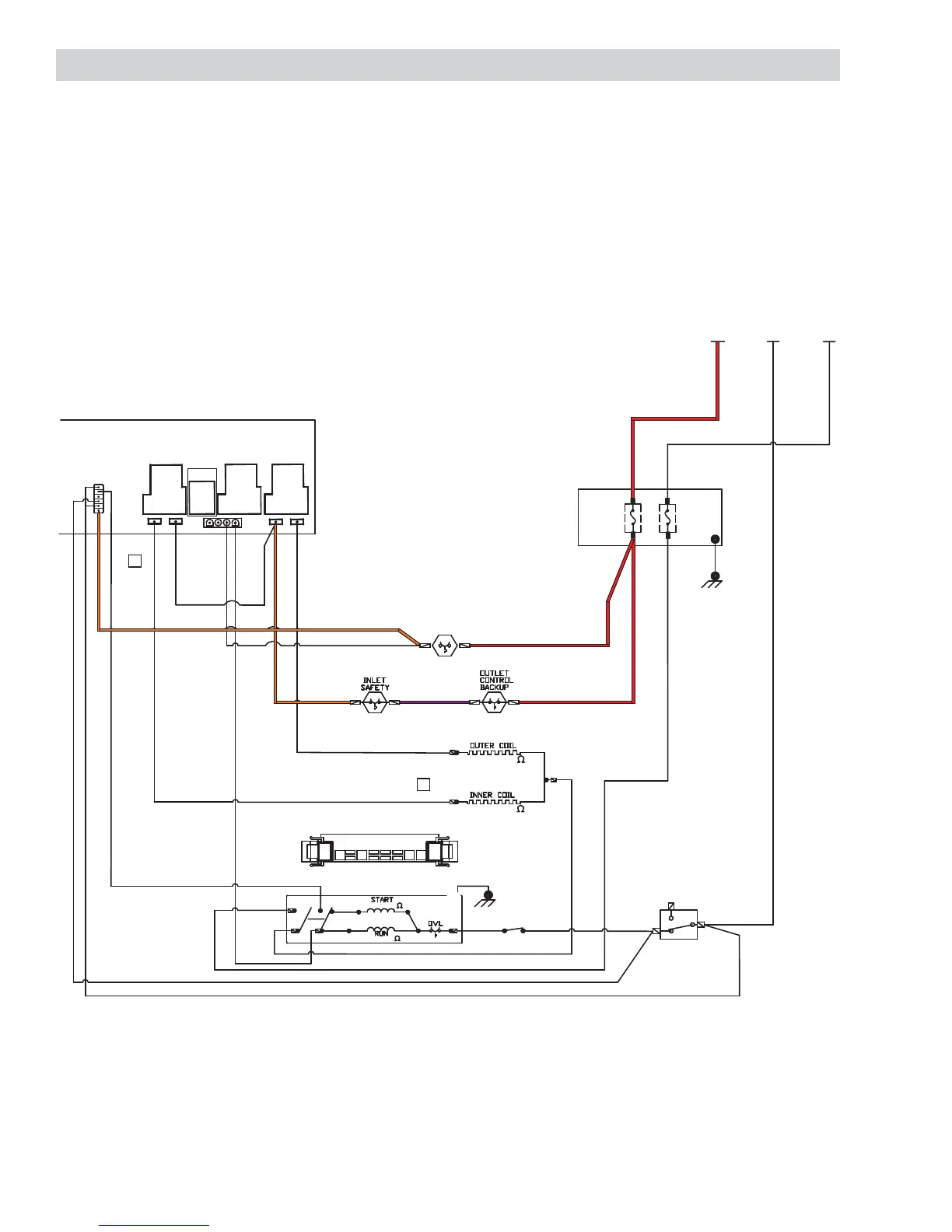
Diagnostics from the Board
Dead Board
If the board is not responding check for voltage through the L1 fuse. If voltage is present there, check voltage
from the J8 ORANGE wire to board neutral on J8 WHITE wire.
If no voltage check for an open thermostat or fuse. Remove power from the dryer and disconnect the J8
connector. Check continuity between the J8 and J4 wires.
If continuity, replace the board.
(Continued Next Page)
L1 N L2
3
3
TAB SEQUENCE
DRUM MOTOR
CONNECTOR
Y-14
N-14
V-14
B-14
S-20
B-18
G
1
2
4
6
5
POWER BOARD
J8
J5 J4 J2J7 J6
1
K4
K1
K3
K2
1
FUSE
CCMR
B-14
FUSE
CCMR
R-14
W-18
O-14
V-14
R-18
R-14
DOOR SWITCH
SHOWN
DOOR CLOSED
(NOT USED)
W-18
C-18
S-20
Y-14
O-14
O-18
R-18
O-14
R-14
B-14
R-14
GY-14
N-14
O-18
W-18
C-18
O-18
O-18
B-18
W-18
V-14
5
6
4
G
P-18
DRUM MOTOR SHOWN STOPPED
CHASSIS
BASE
GY-14
IDLER
SWITCH
C-18
2
1
B-14
C-18
(21.18-19.95
)
(21.18-19.95
)
(30 A)
(30 A)
(3.19-3.53
)
(2.98-3.30
)
O-14
3
SEE NOTE 1
SEE NOTE 1
HI-LIMIT
NC
NO
COM

Related product manuals