EasyManua.ls Logo

GE GHDS830EDWS - Gas Valve Electrical Checks; Gas Valve Voltage and Amperage Testing

GE GHDS830EDWS
54 pages
Print Icon
To Next Page IconTo Next Page
To Next Page IconTo Next Page
To Previous Page IconTo Previous Page
To Previous Page IconTo Previous Page
Loading...
– 45 –
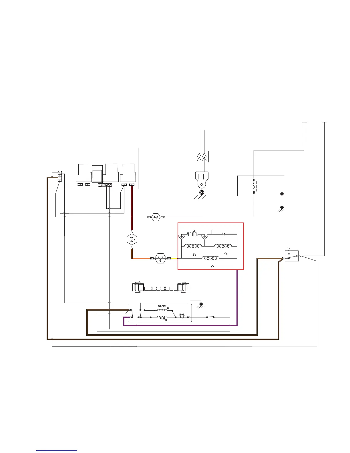
Gas Valve
If no heat, with the dryer running and a heat cycle selected, check for 120 VAC to the gas burner assembly
from J2 RED wire to the BROWN wire on the J8. Approximate amperage draw of 3.5 amps can be checked
from the RED wire on the J2 connector.
Also check between J4 and J2. If relay is closed, no voltage should be present when calling for heat. If it is,
replace the board.
If voltage is present, disconnect power from the dryer. Check igniter, thermostats, ame detector, gas valve
coils, motor switch, harnesses, and connectors.
3
POWER BOARD
J8
J5 J4 J2J7 J6
1
K4
K1
K3
K2
1
FUSE
CCMR
B-18
W-18
B-18
GY-16
Y-18
P-18
P-18
V-18
V-18
V-18
Y-18
O-18
5
6
4
G
P-18
S-20
R-18
DRUM MOTOR
CHASSIS
BASE
GY-16
IDLER
SWITCH
C-18
V-18
R-18
TAB SEQUENCE
DRUM MOTOR
CONNECTOR
G
1
2
465
V-18
R-18
V-18
V-18
V-18
REAR
PANEL
CORD
SET
L1 N
W-18
B-18
B-18
B-18
DOOR SWITCH
SHOWN
DOOR CLOSED
(NOT USED)
C-18
C-18
W-18
W-18
2
1
C-18
C-18
C-18
(580 )
(1400
)
(30 A)
W-18
V-18
S-20
(40-400
)@75°F
3
(3.19-3.53
)
(2.98-3.30
)
R-18
SEE NOTE 2
SEE
NOTE 2
HI-LIMIT
OUTLET
CONTROL
BACKUP
IGNITOR
INLET-
SAFETY
FLAME DETECT
(1300 )
MAIN
BOOSTER
SAFETY
NC
NO
COM
L1
N
RUNNING
(Continued Next Page)
Note 2: This wire marked as (P) pink might be (W) white in some units.

Related product manuals