EasyManua.ls Logo

GE GHDS830EDWS - Water Valve Electrical Testing; Water Valve Resistance and Voltage Test

GE GHDS830EDWS
54 pages
Print Icon
To Next Page IconTo Next Page
To Next Page IconTo Next Page
To Previous Page IconTo Previous Page
To Previous Page IconTo Previous Page
Loading...
– 47 –
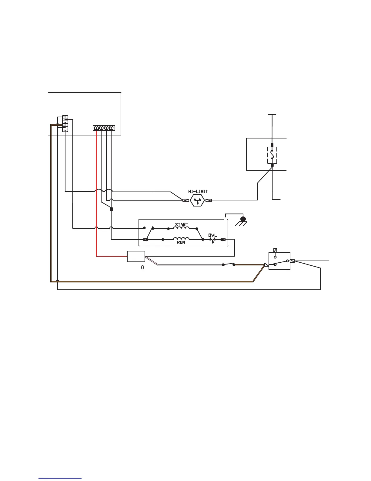
Water Valve
Disconnect power to the dryer.
Remove the J8 connector. Check resistance between the J8 BROWN wire to the RED wire on the J5
connector. Should read approximately 550 OHM.
If resistance is good, reconnect wires put the dryer in service mode. Check for 120 VAC at the same.
L1
N
R-18
B-18
WATER
VALVE
FUSE
CCMR
O-18
O-18
O-18
O-18
B-18
J5
1
POWER BOARD
C-18
W-18
R-14
R-18
5
6
4
G
B-18
DRUM MOTOR SHOWN STOPPED
CHASSIS
BASE
GY-14
S-20
S-20
IDLER
SWITCH
C-18
DOOR SWITCH
SHOWN
DOOR CLOSED
(NOT USED)
C-18
C-18
W-18
W-18
R-14
TO OUTLET
CONTROL BACKUP
J8
1
(533-590
)
R-18
P-18
3
NC
NO
COM

Related product manuals