EasyManua.ls Logo

GE XDP-H2 - Page 90

GE XDP-H2
96 pages
Print Icon
To Next Page IconTo Next Page
To Next Page IconTo Next Page
To Previous Page IconTo Previous Page
To Previous Page IconTo Previous Page
Loading...
January 2008
Menu Maps C-2
91.52 pcnt
ESC ENT ESC
Opt Disp
ENT
Lock Menus
User
Versions
Lock All
ENT
ENT
ENT
Software Versions
ENT
Non Fail-Safe
Fail-Safe
Comm
Backlight
Contrast
Analog Output*
Fault Alarm*
ENT ENT ENT
ENT ENT
ENT
Timed
Off
On
ENT ENT
ENT
ENT
ENT
[* see text for available options]
Span Setpoint
Zero Setpoint
Aout Type
Test
Zero Trim
Span Trim
0-2V
4-20mA
0-20mA
ENT
ENT
Namur
ENT
ENT ENT
ENT
ENT ENT
ENT ENT
ENT ENT
MAIN MENU
USER MENU
91.52 pcnt
Cal
[* system functions]
Comm Type*
ENT
Stop Bits*
ENT
Parity*
ENT
Node ID* Baud Rate*
Data Length*
ENTENT
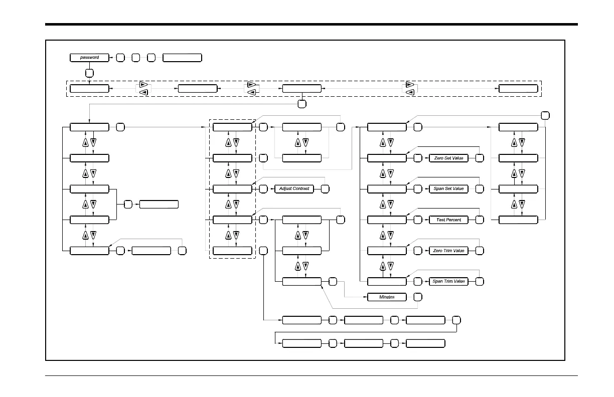
Figure C-2: Operator-Level [Opt] Menu Map

Table of Contents

Related product manuals