EasyManua.ls Logo

Gehl SL4635 - SL4635 Hydrostatic;Hydraulic Schematic

Gehl SL4635
86 pages
Print Icon
To Next Page IconTo Next Page
To Next Page IconTo Next Page
To Previous Page IconTo Previous Page
To Previous Page IconTo Previous Page
Loading...
\
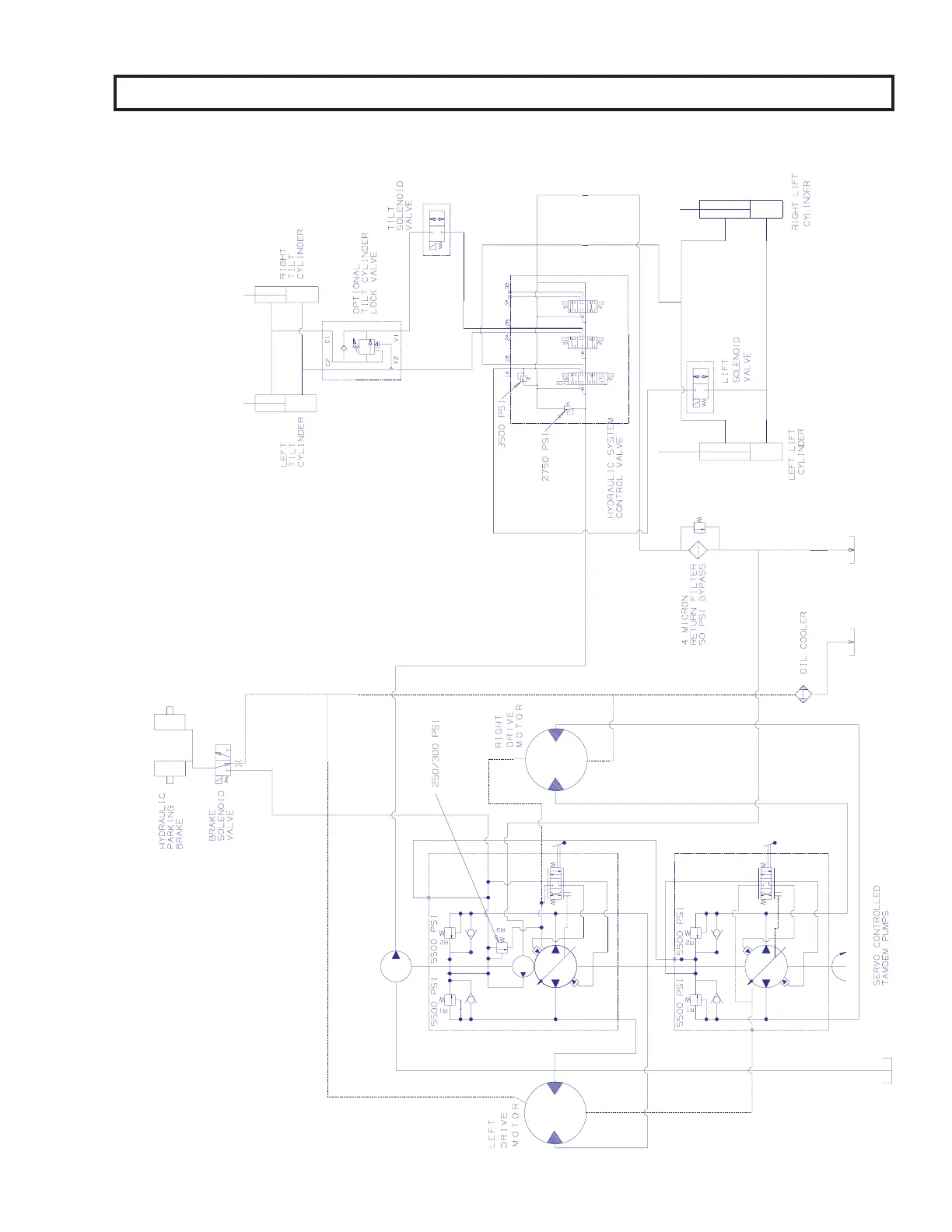
SL4635 Hydrostatic/Hydraulic Schematic
PRINTED IN USA 69 907808/CP0300

Related product manuals