EasyManua.ls Logo

Gehl SL4635 - SL46;4835 DX Hydrostatic;Hydraulic Schematic

Gehl SL4635
86 pages
Print Icon
To Next Page IconTo Next Page
To Next Page IconTo Next Page
To Previous Page IconTo Previous Page
To Previous Page IconTo Previous Page
Loading...
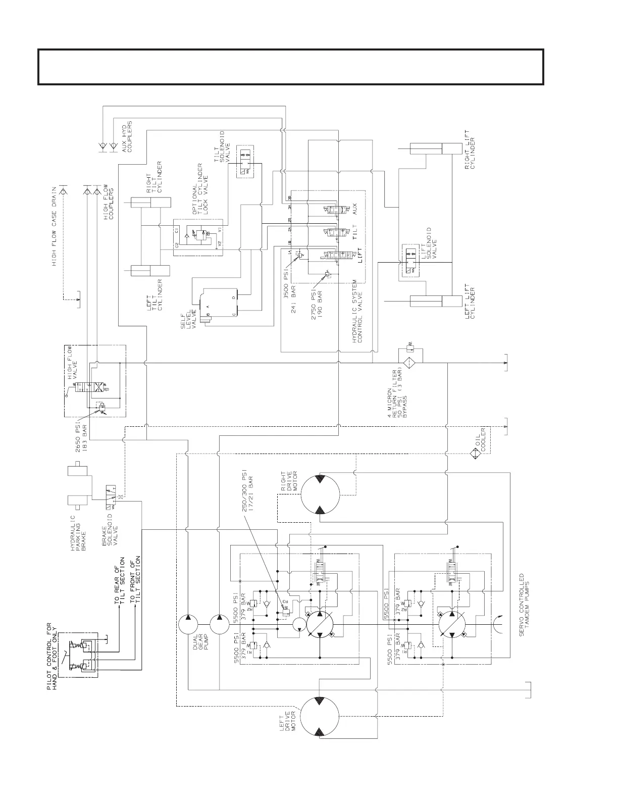
SL46/4835DX Hydrostatic/Hydraulic Schematic
SN300119 and later - SL4635; SN400121 and later - SL4835
907808/CP0300 72 PRINTED IN USA

Related product manuals