EasyManua.ls Logo

Gehl SL4635 - Page 75

Gehl SL4635
86 pages
Print Icon
To Next Page IconTo Next Page
To Next Page IconTo Next Page
To Previous Page IconTo Previous Page
To Previous Page IconTo Previous Page
Loading...
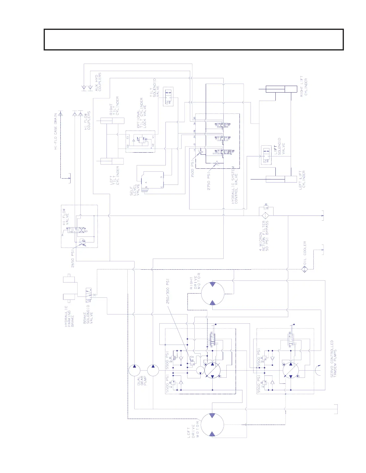
SL46/4835DX Hydrostatic/Hydraulic Schematic
Before SN300119 - SL4635; Before SN400121 - SL4835
PRINTED IN USA 73 907808/CP0300

Related product manuals