EasyManua.ls Logo

Goodwe GW10K-ET - System Wiring Diagrams

Goodwe GW10K-ET
80 pages
To Next Page IconTo Next Page
To Next Page IconTo Next Page
To Previous Page IconTo Previous Page
To Previous Page IconTo Previous Page
Loading...
28
06 Electrical Connection User Manual V1.1-2022-12-20
Main panel
Inverter
Battery
PV
string
Do not wire in this position
if N and PE cables are
connected together.
BACK-UP
loads
Household loads
Utility
grid
Smart
meter
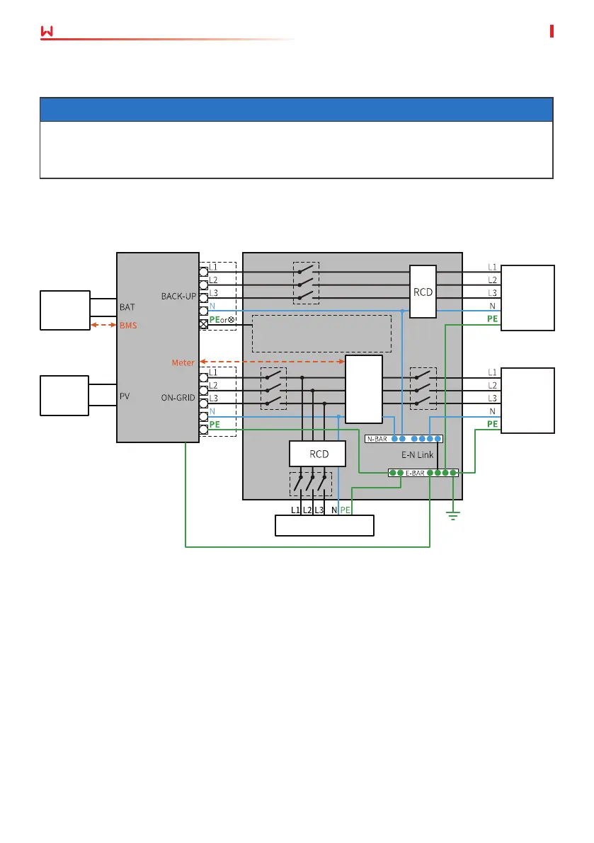
NOTICE
N and PE wiring via ON-GRID and BACK-UP ports of the inverter are dierent based on the
regulation requirements of dierent regions. Refer to the specic requirements of local
regulations.
N and PE cables are connected together in the Main Panel for wiring.
The following diagram is applicable to areas in Australia, New Zealand, South Africa, etc.
6.2 System Wiring Diagram

Other manuals for Goodwe GW10K-ET

Related product manuals