EasyManua.ls Logo

Grin Baserunner V6 - 11 Functional Schematic

Default Icon
39 pages
Print Icon
To Next Page IconTo Next Page
To Next Page IconTo Next Page
To Previous Page IconTo Previous Page
To Previous Page IconTo Previous Page
Loading...
Baserunner V6 User Manual
Rev0
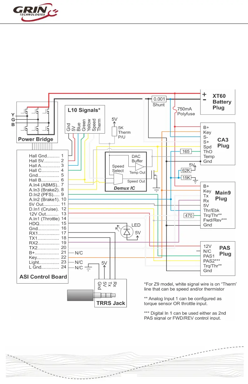
11 Functional Schematic
The Baserunner L10/Z9 controller has an ASI BAC555/BAC355 control and
power board at the base, but with an intermediary daughter card PCB for
additional signal conditioning and cable termination. This diagram illustrates the
internal signal wiring and explains how the different connector pins are wired.
-35-

Related product manuals