EasyManua.ls Logo

Groen CC20-E - Page 33

Groen CC20-E
314 pages
Print Icon
To Next Page IconTo Next Page
To Next Page IconTo Next Page
To Previous Page IconTo Previous Page
To Previous Page IconTo Previous Page
Loading...
(Revised 1/02)
CC20-E
Specifications
3-1
Oven Electrical Specifications
Water Line Pressure
30 to 60 PSIG. A pressure regulator is required for water pressure above
60 PSIG.
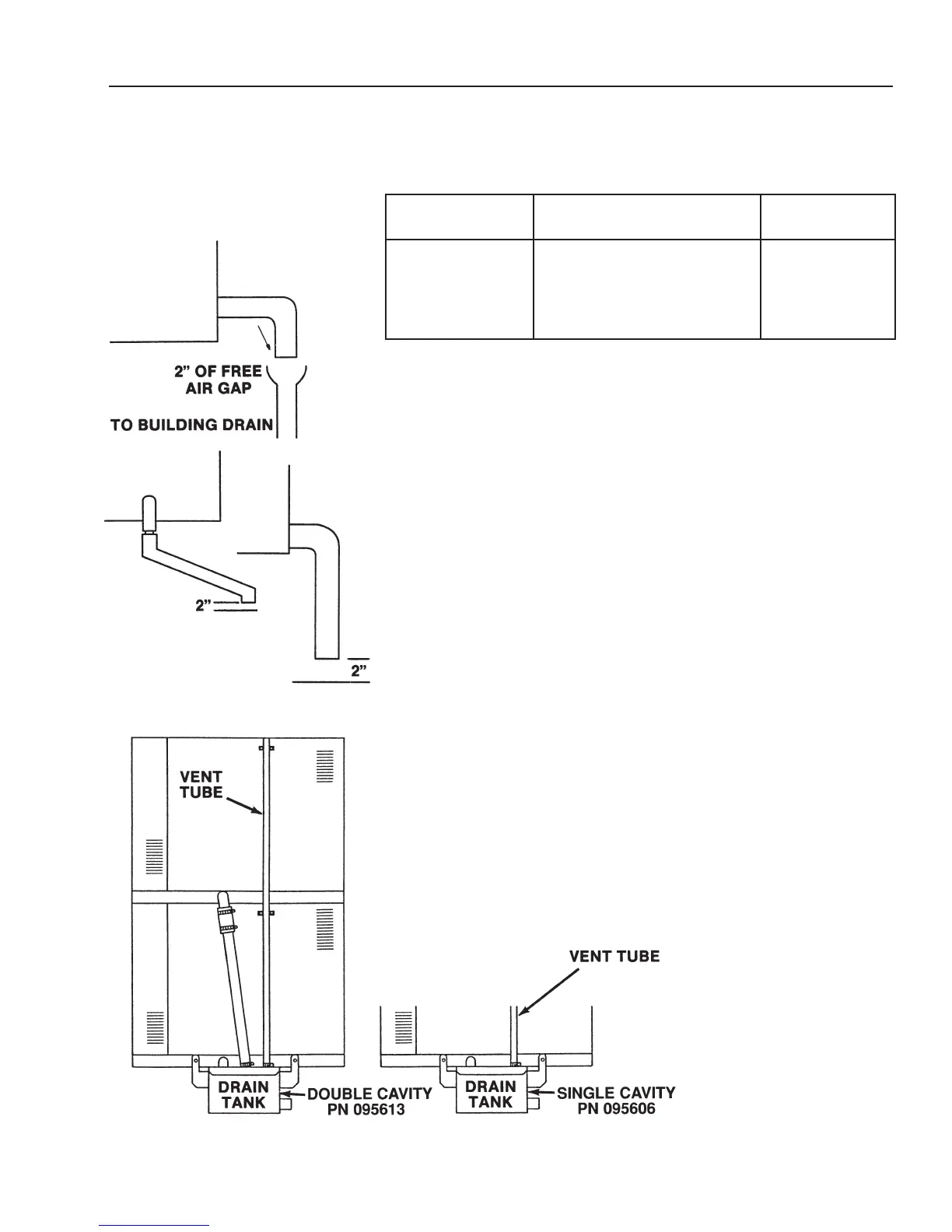
Drain Connection
Without Drain Box:
1. Drain hose cannot be connected directly to a building drain; there
cannot be any elbows or other restrictions between the oven drain and
the two inch free air gap.
2. Free Air Gap: 2” free air gap required between drain hose and building
drain.
3. Drain Line: 2” ID drain hose between oven and building drain with a
constant downward pitch.
4. Plastic pipe cannot be used for a drain line.
With Drain Box:
1.
Drain hose to a building drain can be connected directly
.
2. The drain box has an air vent that eliminates the need for an air gap.
3. Do not block the air vent in any way.
4. Do not attach anything to the vent tube or reduce the size of the vent
tube.
65.4A
56.7A
28.3A
Power
21KW
21KW
21KW
AC Input
Voltage
280V, 3-Phase
240V, 3-Phase
480V, 3-Phase
Current Rating
Per Line

Related product manuals