EasyManua.ls Logo

Groeneveld OnePlus - Wiring Diagram

Groeneveld OnePlus
44 pages
Print Icon
To Next Page IconTo Next Page
To Next Page IconTo Next Page
To Previous Page IconTo Previous Page
To Previous Page IconTo Previous Page
Loading...
Installation34
Date of issue: October 2011
Automatic Greasing System OnePlus
EG1605R01
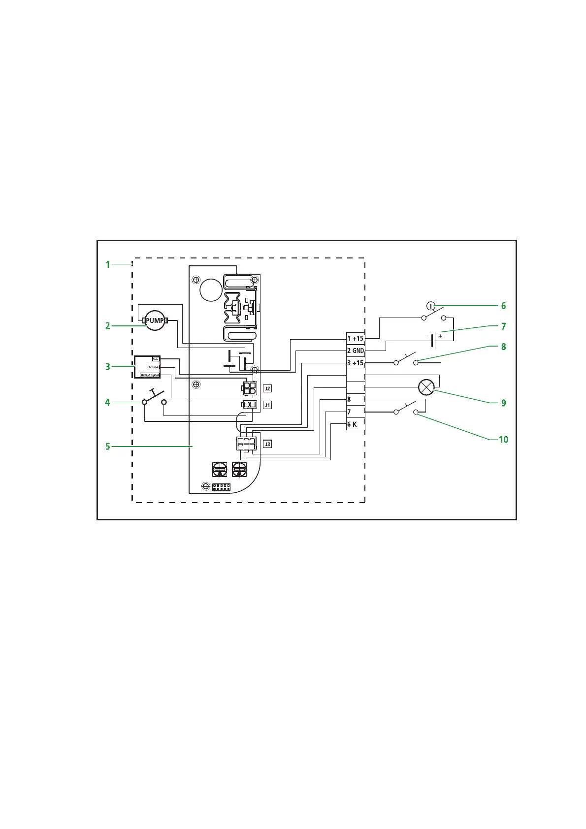
4.8.4 Wiring diagram
1. Pump unit
2. Pump motor
3. Revolution sensor
4. Test push button
5. Control unit
6. Ignition
7. Battery
8. Control input switch
9. Indicator lamp
10. Distribution block monitoring switch
Figure 4.1 Wiring diagram
1 23
456
2 1
1
2
3
4
+ or -
4 -
5 +

Table of Contents

Related product manuals