EasyManua.ls Logo

Haas VF-1 - Page 544

Haas VF-1
564 pages
Print Icon
To Next Page IconTo Next Page
To Next Page IconTo Next Page
To Previous Page IconTo Previous Page
To Previous Page IconTo Previous Page
Loading...
544
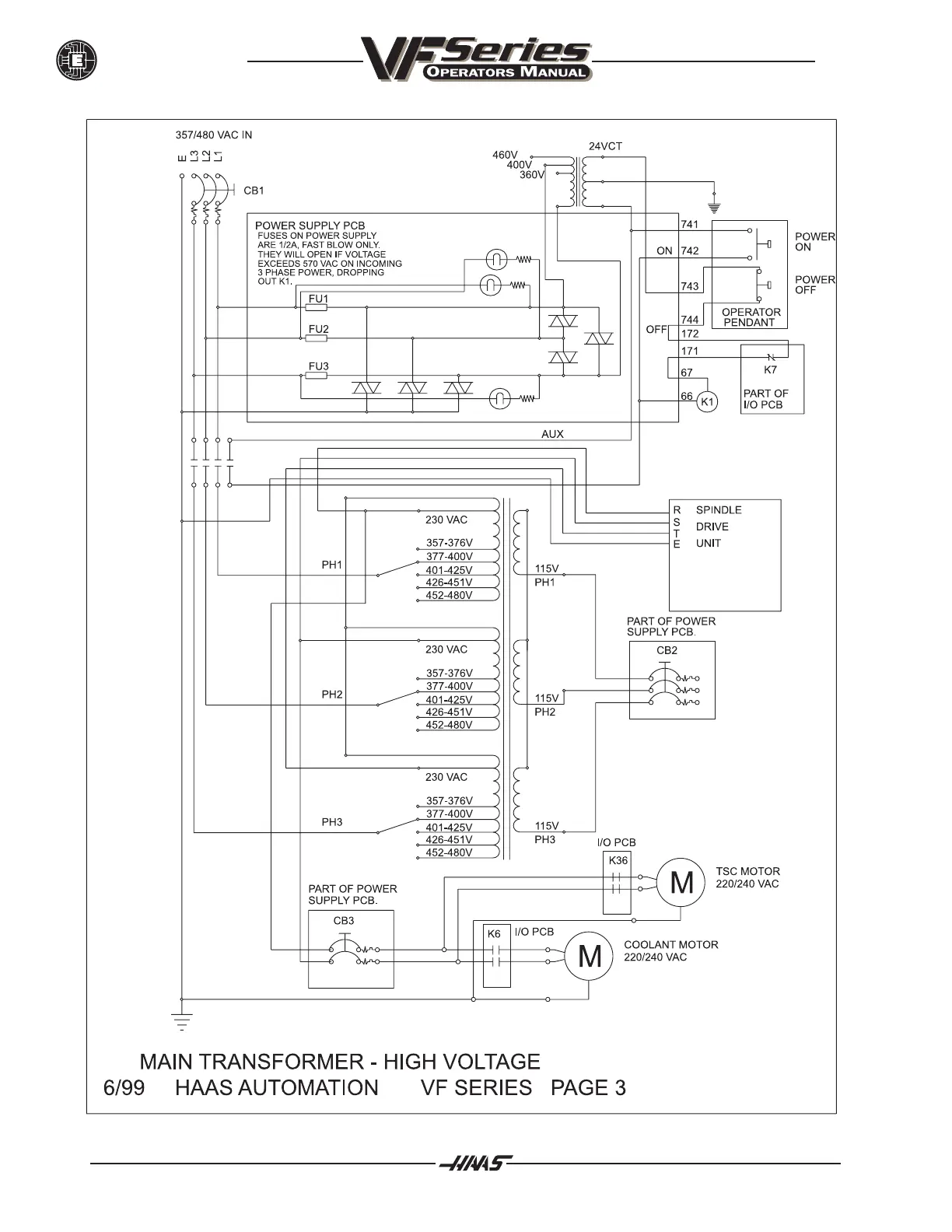
ELECTRICAL DIAGRAMS June 1999
96-8000

Table of Contents

Related product manuals