EasyManua.ls Logo

HCS DAC-42A - Wiring Diagrams for All Operation Modes; Wiring Diagram for Operation Mode 01

HCS DAC-42A
70 pages
Print Icon
To Next Page IconTo Next Page
To Next Page IconTo Next Page
To Previous Page IconTo Previous Page
To Previous Page IconTo Previous Page
Loading...
DAC-42(A)-x-PN
Page 24
DAC-42(A)-x-PN
Manual
Revision: 1.0
22.01.2024
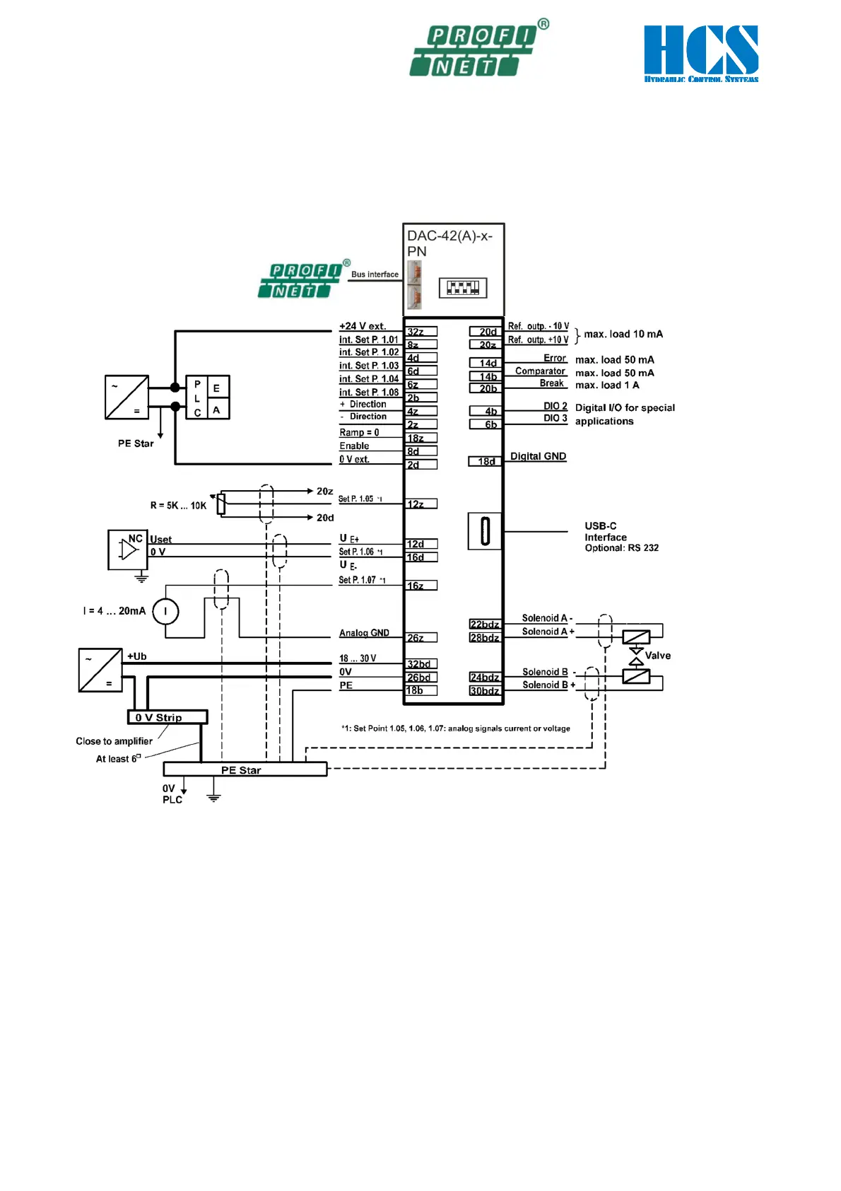
5.6 Wiring diagrams for all operation modes
5.6.1 Wiring diagram for operation mode 01
Open loop, 1 proportional valve with 2 solenoids
Figure 9 : Wiring diagram Mode 01

Table of Contents