EasyManua.ls Logo

HCS DAC-42A - Wiring Diagram for Operation Mode 08

HCS DAC-42A
70 pages
Print Icon
To Next Page IconTo Next Page
To Next Page IconTo Next Page
To Previous Page IconTo Previous Page
To Previous Page IconTo Previous Page
Loading...
DAC-42(A)-x-PN
Page 29
DAC-42(A)-x-PN
Manual
Revision: 1.0
22.01.2024
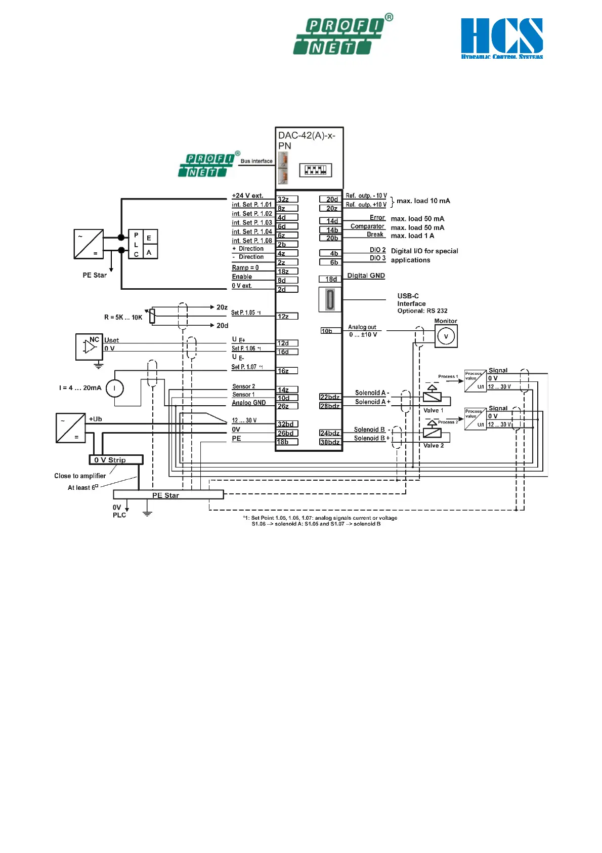
5.6.6 Wiring diagram for operation mode 08
Closed loop double, 2 proportional valves with 1 solenoid each and feedback of two independent process
values
Figure 14 : Wiring diagram Mode 08

Table of Contents