EasyManua.ls Logo

HCS DAC-42A - Wiring Diagram for Operation Mode 03

HCS DAC-42A
70 pages
Print Icon
To Next Page IconTo Next Page
To Next Page IconTo Next Page
To Previous Page IconTo Previous Page
To Previous Page IconTo Previous Page
Loading...
DAC-42(A)-x-PN
Page 26
DAC-42(A)-x-PN
Manual
Revision: 1.0
22.01.2024
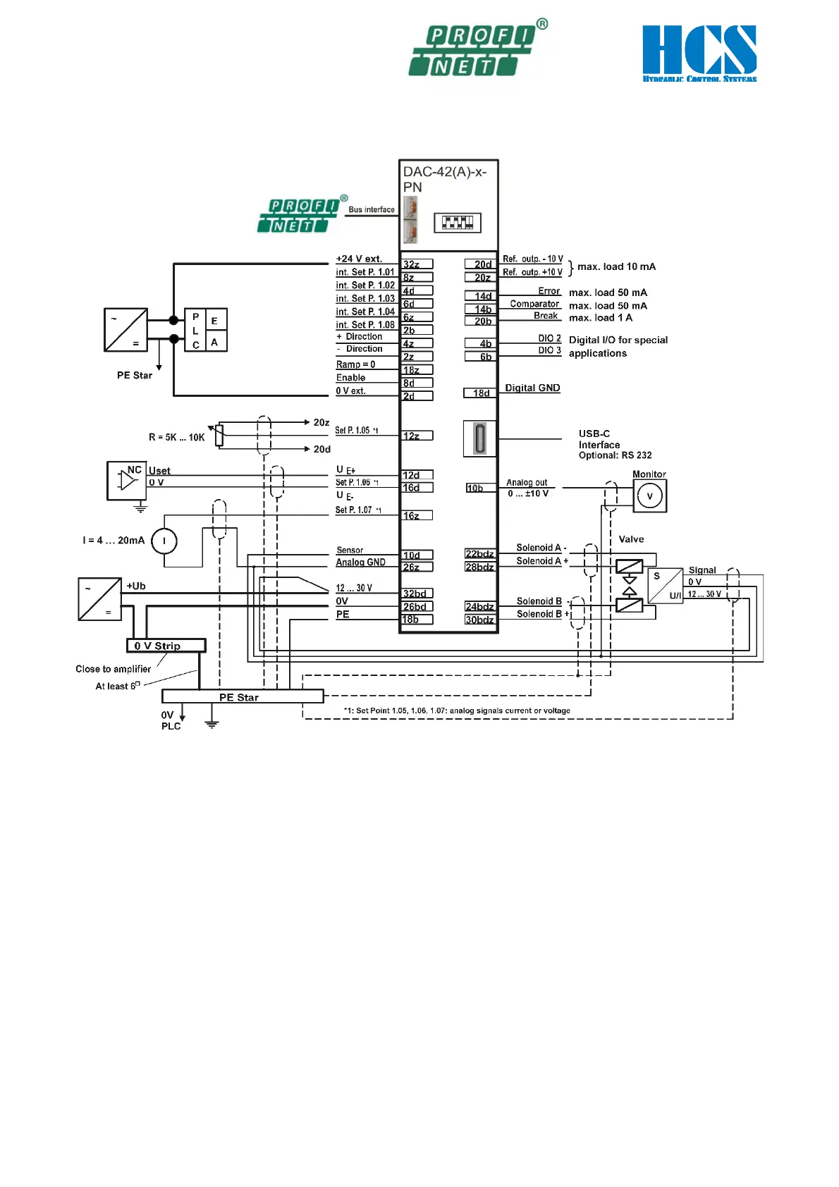
5.6.3 Wiring diagram for operation mode 03
Closed loop, 1 proportional valve with 2 solenoids and spool position feedback
Figure 11 : Wiring diagram Mode 03

Table of Contents