EasyManua.ls Logo

HCS DAC-42A - Wiring Diagram for Operation Mode 10

HCS DAC-42A
70 pages
Print Icon
To Next Page IconTo Next Page
To Next Page IconTo Next Page
To Previous Page IconTo Previous Page
To Previous Page IconTo Previous Page
Loading...
DAC-42(A)-x-PN
Page 30
DAC-42(A)-x-PN
Manual
Revision: 1.0
22.01.2024
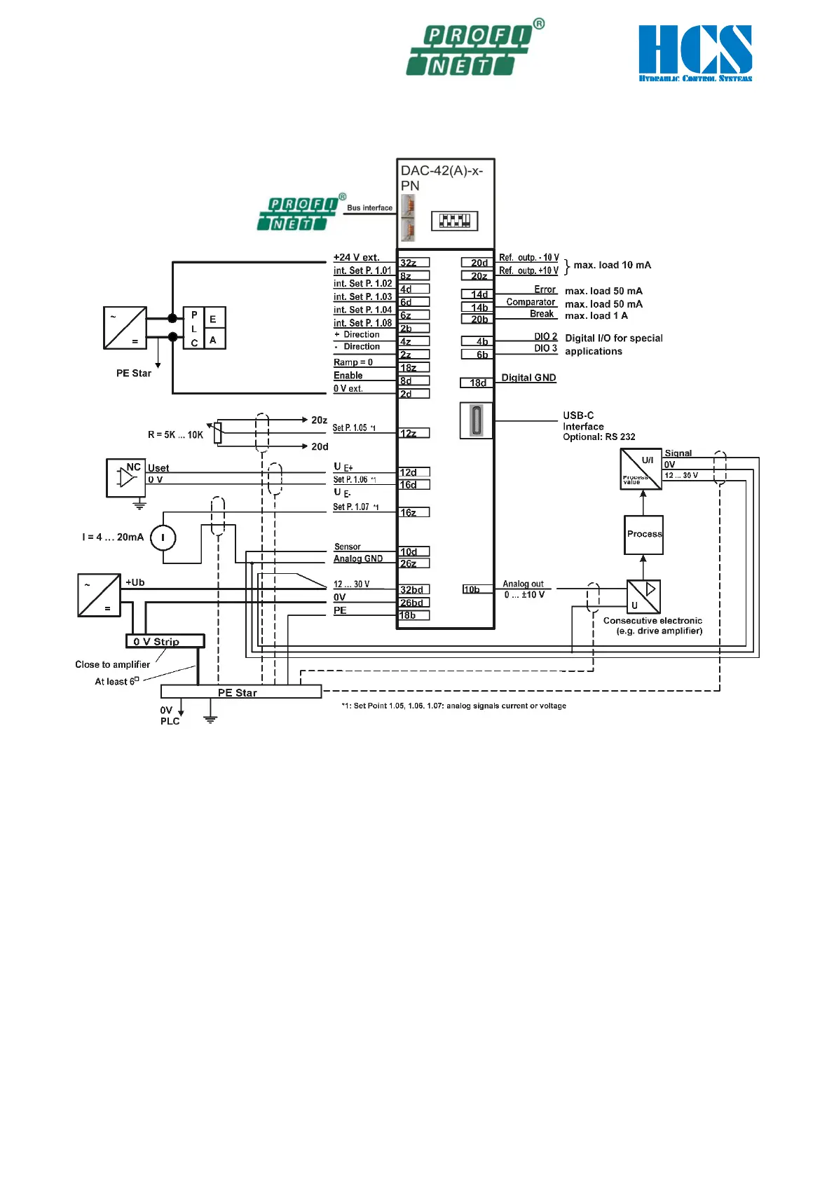
5.6.7 Wiring diagram for operation mode 10
Closed loop without valve, controller only
Figure 15 : Wiring diagram Mode 10

Table of Contents