EasyManua.ls Logo

HellermannTyton Autotool 2000 CPK - Roboter Adapter CPK; Kabelbinderspule

HellermannTyton Autotool 2000 CPK
72 pages
Print Icon
To Next Page IconTo Next Page
To Next Page IconTo Next Page
To Previous Page IconTo Previous Page
To Previous Page IconTo Previous Page
Loading...
USDE
Automatisierungsanleitung CPK • 10-2015 •106-29009
Technische Daten
62
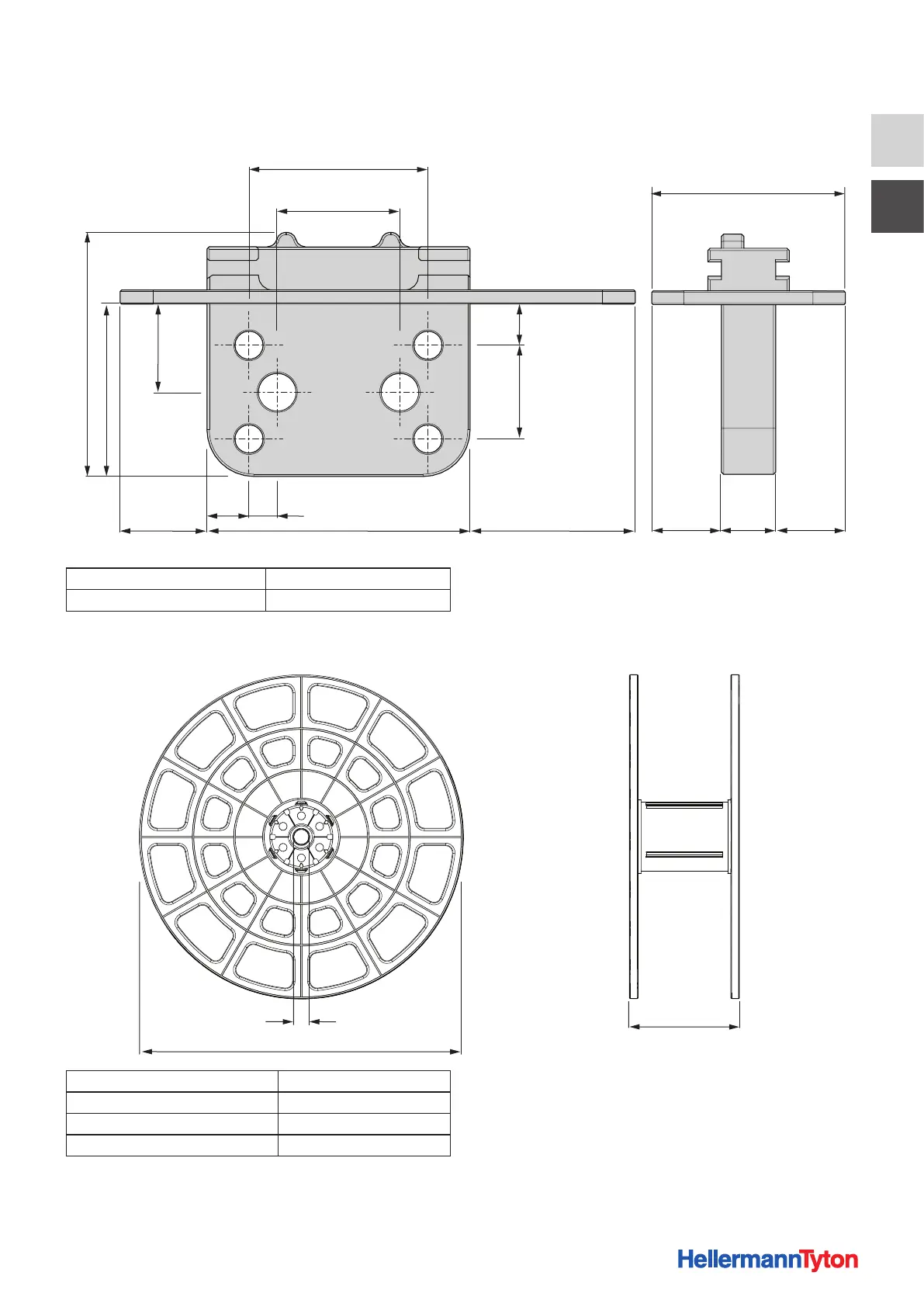
7.5 Roboter Adapter CPK
12
1515
42
35,318,2 56,2
96
20
18,8
36,8
52,2
8,8
26,2
38,2
Gewicht 0,11 kg
Gewicht mit Werkzeug 1,81 kg
7.6 Kabelbinderspule
135
390
18
Anzahl Kabelbinder / Spule 3.500
Gewicht Spule (voll) 1,76 kg
Anzahl Kabelbinder / Bandkette 50
Gewicht Bandkette 0,017 kg

Table of Contents

Other manuals for HellermannTyton Autotool 2000 CPK

Related product manuals