EasyManua.ls Logo

HID iCLASS SE - Ultra Low Power Mode

HID iCLASS SE
52 pages
Print Icon
To Next Page IconTo Next Page
To Next Page IconTo Next Page
To Previous Page IconTo Previous Page
To Previous Page IconTo Previous Page
Loading...
iCLASS SE Reader Module Hardware Developer’s Guide, SE3200-902, Rev. C.1
Page 29 of 52 February 2014
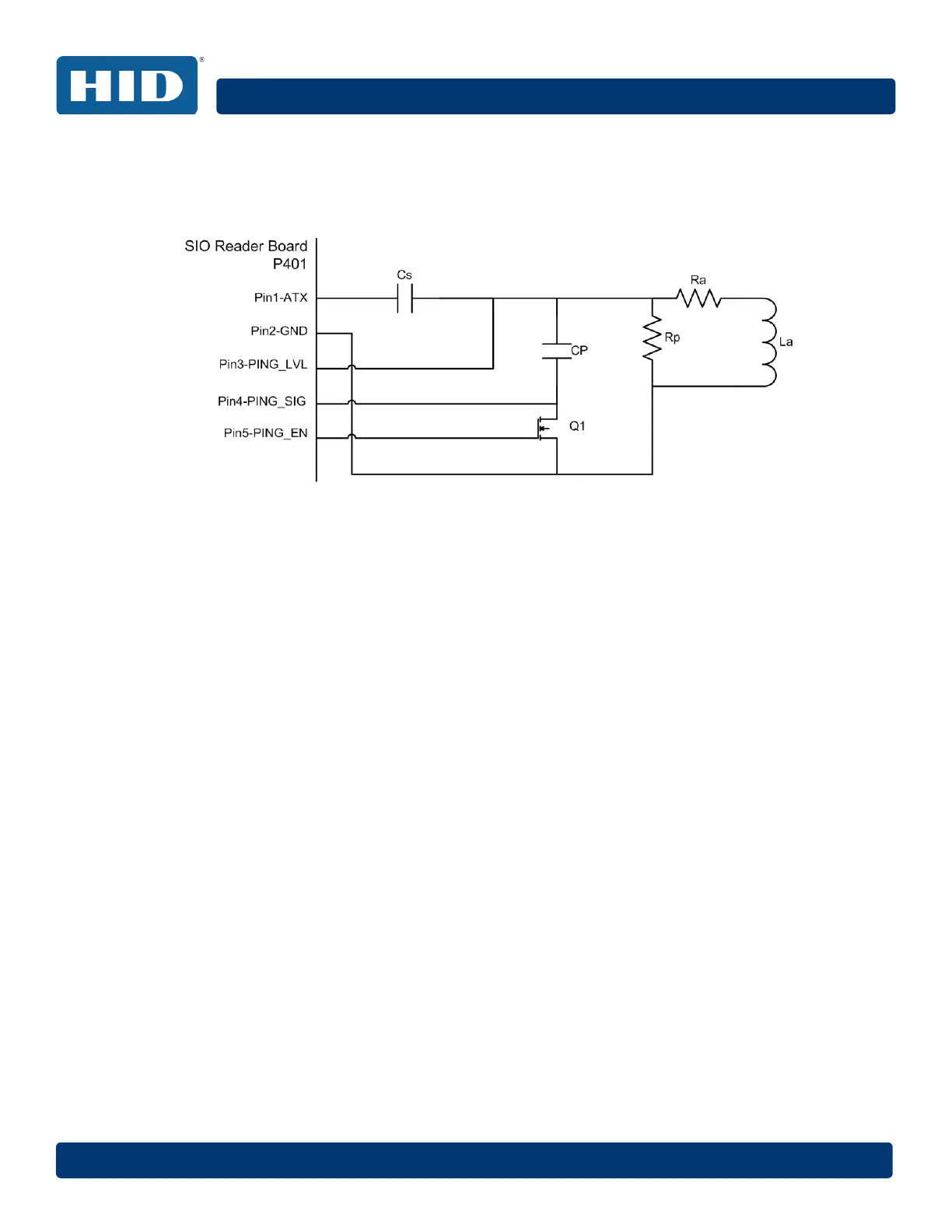
6.1.1 Ultra Low Power Mode
To allow for the ULPM, take additional measures at the antenna circuit. A transistor, as
well as two additional measurement lines, is introduced to enable the low power card
detection circuit on the iCLASS SE Reader Module.
Figure 10: Tuning Network with ULPM Support
For Transistor Q1, a ZXM61N02F type or similar is recommended.
Note: Only the HF interface is capable of detecting transponders in ULPM. However,
Prox transponders may be recognized by the HF interface. If supporting Prox
credentials in the ULPM, concentrically rearrange the Prox and HF antenna.

Table of Contents

Other manuals for HID iCLASS SE

Related product manuals