EasyManua.ls Logo

HIKVISION IPC-4300H - 1.4. Top Interface

HIKVISION IPC-4300H
177 pages
Print Icon
To Next Page IconTo Next Page
To Next Page IconTo Next Page
To Previous Page IconTo Previous Page
To Previous Page IconTo Previous Page
Loading...
UM IPC-4300H 040320NA 22
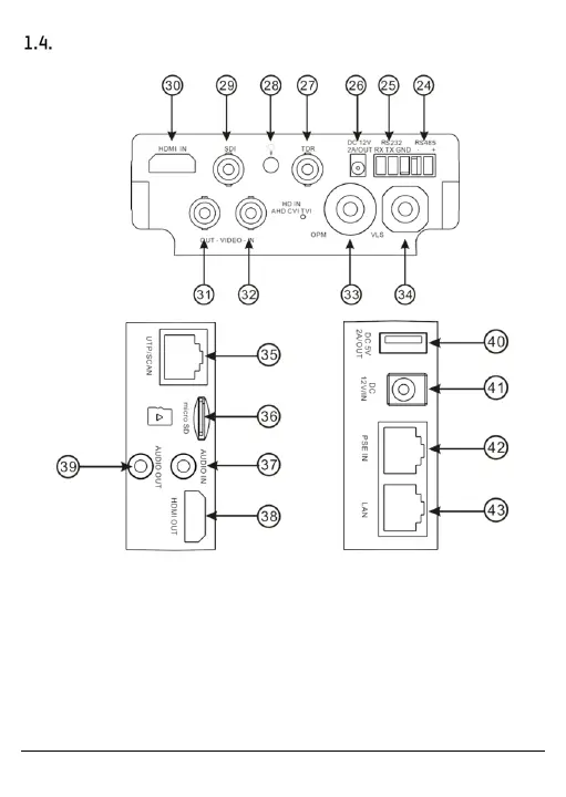
Top Interface
Figure 2, IPC-4300H Top Interface

Table of Contents