EasyManua.ls Logo

HRC CBR600RR - Cable and Harness Routing

HRC CBR600RR
85 pages
Print Icon
To Next Page IconTo Next Page
To Next Page IconTo Next Page
To Previous Page IconTo Previous Page
To Previous Page IconTo Previous Page
Loading...
Service Information
1-14
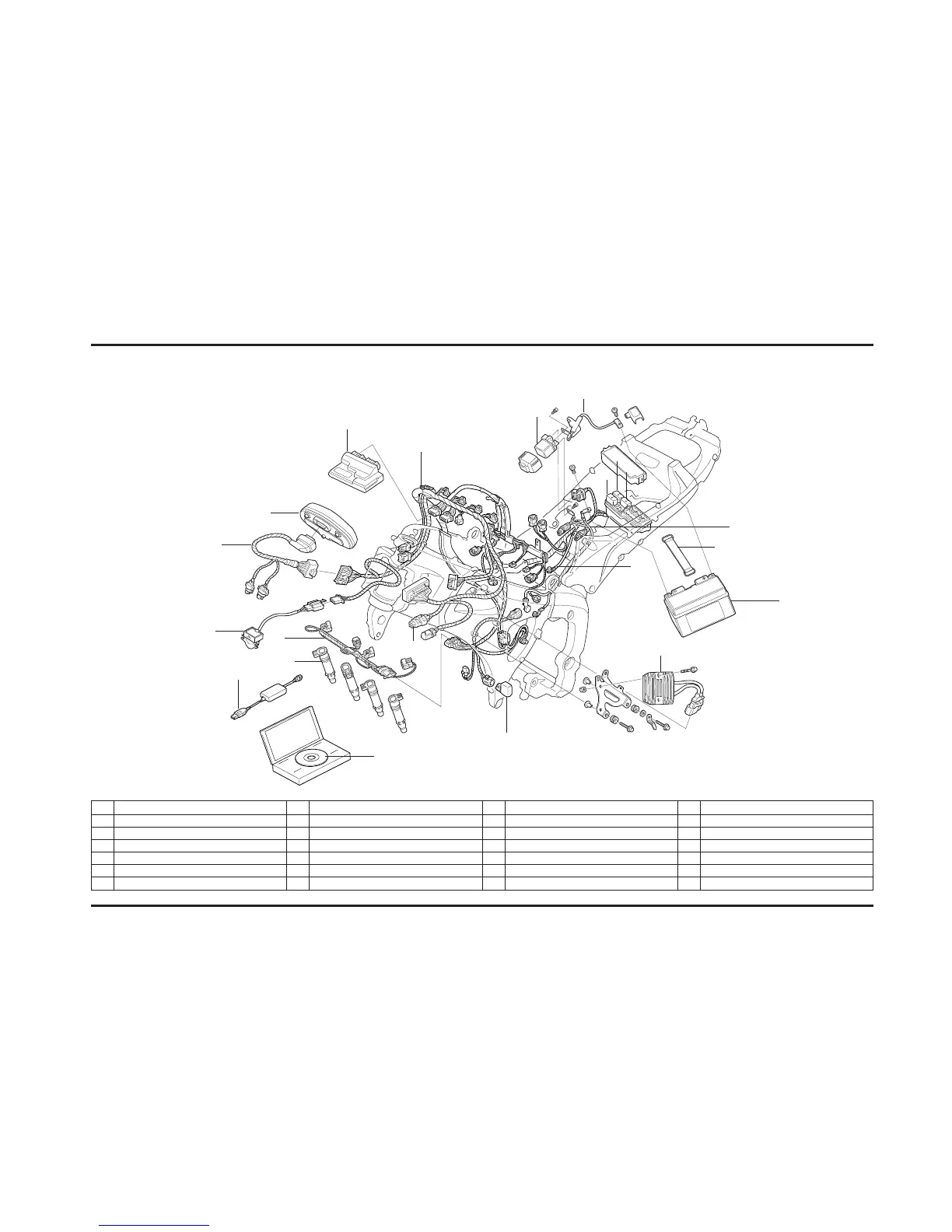
Cable & Harness Routing
No. Item No. Item No. Item No. Item
*1 Combination meter *7 Harness, wire 13 Data link connector 19 Battery
2Sub-harness, combination meter 8 Switch assy., starter magnetic *14 Unit assy., serial I/F 20 Rectifier assembly, regulator
*3 Sensor assy., bank angle 9 Cable, starter battery *15 CD-ROM, PGM-FI/IGN *21 Resistor
4Sub harness, IGN 10 Fuel cut-off relay 16 Cable, starter motor
5 Coil, cap & ignition 11 Engine stop relay 17 Battery ground cable
*6 Unit, PGM-FI/IGN 12 Shift up indicator relay 18 Band, battery
*1
2
*7
*6
9
16
*15
*14
10
17
8
19
20
18
*3
4
5
11
12
*21
13
*: HRC racing kit

Table of Contents

Related product manuals