EasyManua.ls Logo

HygroMatik Basic - Menu Configuration

HygroMatik Basic
94 pages
Print Icon
To Next Page IconTo Next Page
To Next Page IconTo Next Page
To Previous Page IconTo Previous Page
To Previous Page IconTo Previous Page
Loading...
Page 43
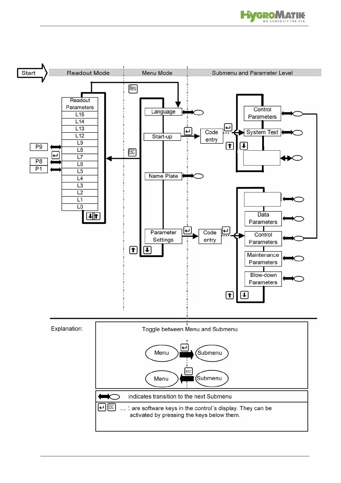
7.1 Menu Configuration
Power
Parameters
System
Settings

Table of Contents

Related product manuals