EasyManua.ls Logo

IBM x3550 M4 Type 7914 - Page 100

IBM x3550 M4 Type 7914
868 pages
Print Icon
To Next Page IconTo Next Page
To Next Page IconTo Next Page
To Previous Page IconTo Previous Page
To Previous Page IconTo Previous Page
Loading...
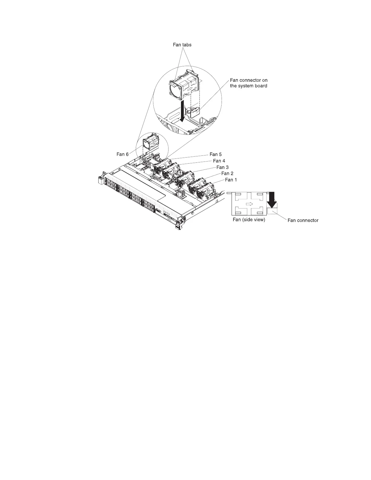
5. Orient the fan over the fan slot in the fan assembly bracket so that the fan
connector aligns with the connector on the system board.
Figure 60. Fan installation
82 IBM System x3550 M4 Type 7914: Installation and Service Guide

Table of Contents

Related product manuals