EasyManua.ls Logo

IFM Electronic LR2050 - Page 11

IFM Electronic LR2050
51 pages
Print Icon
To Next Page IconTo Next Page
To Next Page IconTo Next Page
To Previous Page IconTo Previous Page
To Previous Page IconTo Previous Page
Loading...
11
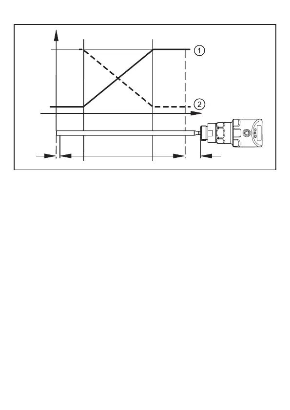
Curve of the analogue signal (measuring range scaled):
I [mA]
L
20
4
A
ASP2 AEP2
I1 I2
L: Level
:
[ou2] = I (factory setting)
A: Active zone = rod length L - (I1 + I2)
:
[ou2] = [InEG]
I1: Inactive zone 1 ASP2: Analogue start point
I2: Inactive zone 2 (→ Technical data sheet) AEP2: Analogue end point
Additional information about the analogue output: (→ 12.8)
Note the tolerances and accuracies during the evaluation of the analogue signal
(→ Technical data sheet).

Table of Contents