EasyManua.ls Logo

IFM Electronic LR2050 - Menu Navigation and Structure; Menu Hierarchy Overview

IFM Electronic LR2050
51 pages
Print Icon
To Next Page IconTo Next Page
To Next Page IconTo Next Page
To Previous Page IconTo Previous Page
To Previous Page IconTo Previous Page
Loading...
31
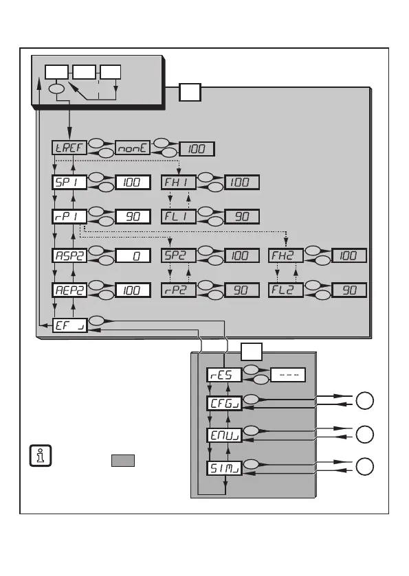
10 Menu
10.1 Menu structure
Menu items highlighted
in grey, e�g� [
SP2
], are
only active when assigned
parameters have been
selected (→ 10.2.1)
RUN
mm
inch
%
30s
E
E
I
E
E
E
E
E
E
E
E
E
E
E
E
E
E
E
E
E
E
E
E
E
E
E
E
E
E
E
E
E
3
E
1
2
II
I:
II:
Main menu (→ 10.2.1)
EF Level (→ 10.2.2)

Table of Contents