EasyManua.ls Logo

IFM efector 160 LR3000 - Analogue Output Functionality; Analogue Signal Characteristics

IFM efector 160 LR3000
38 pages
Print Icon
To Next Page IconTo Next Page
To Next Page IconTo Next Page
To Previous Page IconTo Previous Page
To Previous Page IconTo Previous Page
Loading...
9
UK
The set unit of measurement and the switching status of the outputs are indi-•
cated by LEDs�
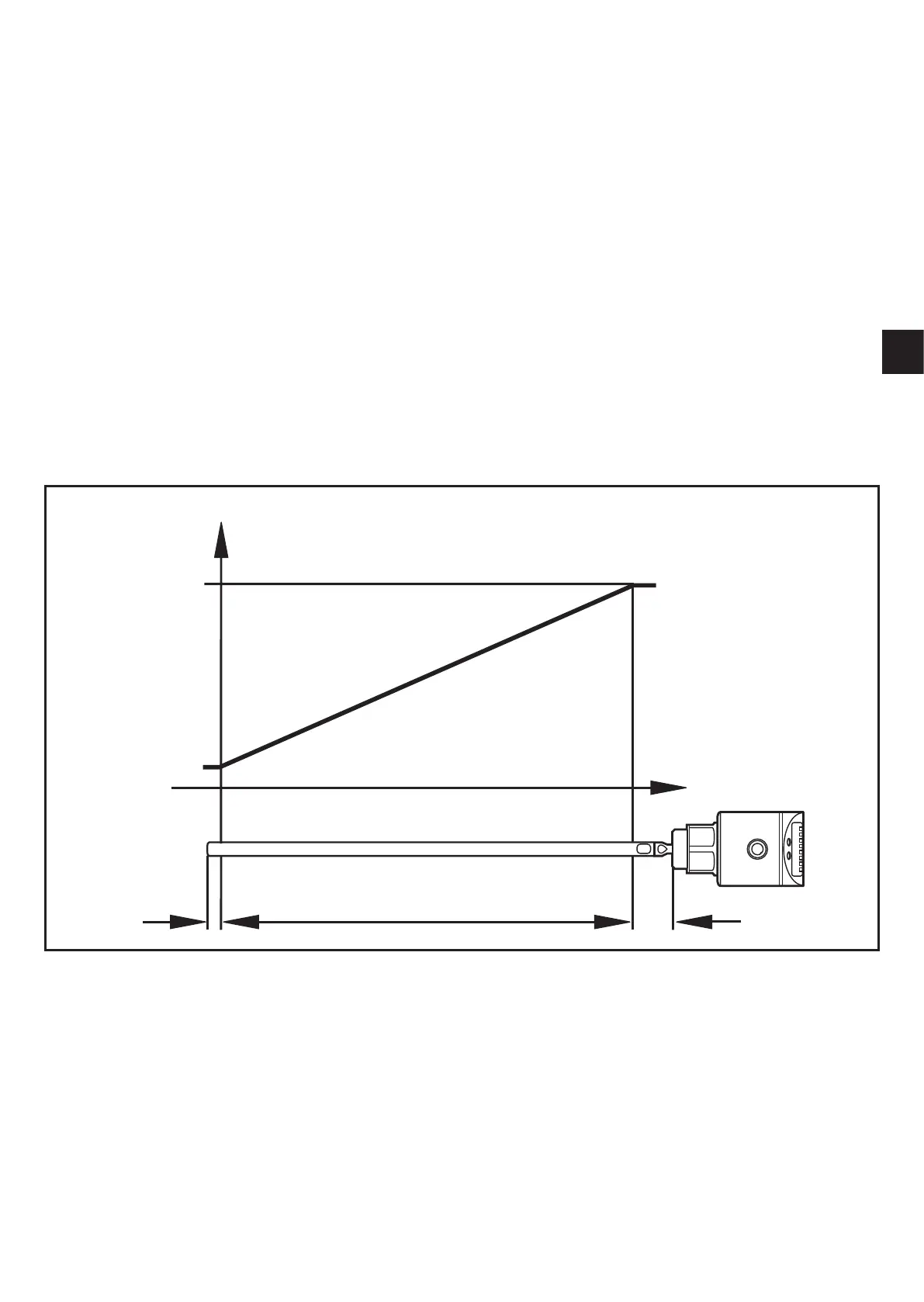
Analogue function
The unit provides an analogue signal proportional to level� The analogue output
(OUT2) can be set as current or voltage output:
Current output analogue 4���20 mA ([OU2] = [I]); voltage output analogue •
0���10 V ([OU2] = [U])�
The analogue start point [ASP] determines at which measured value the output •
signal is 4 mA or 0 V
The analogue end point [AEP] determines at which measured value the output •
signal is 20 mA or 10 V
Minimum distance between [ASP] and [AEP] = 25 % of the active zone�
Curve of the analogue signal:s (Factory setting):
I [mA]
U [V]
L
S2
S1
A
I1 I2
L = level
A=activezone;I1=inactivezone1;I2=inactivezone2(→12Scaledrawing)
S1 = zero signal (4 mA / 0 V); S2 = full signal (20 mA / 10 V)
Note the tolerances and accuracy limits during the evaluation of the analogue
signal(→13Technicaldata).

Table of Contents

Related product manuals