EasyManua.ls Logo

INVT EC160 - Keys and LED Indicator

INVT EC160
227 pages
Print Icon
To Next Page IconTo Next Page
To Next Page IconTo Next Page
To Previous Page IconTo Previous Page
To Previous Page IconTo Previous Page
Loading...
User manual of EC160 elevator intelligent integrated machine Installation and wiring
35
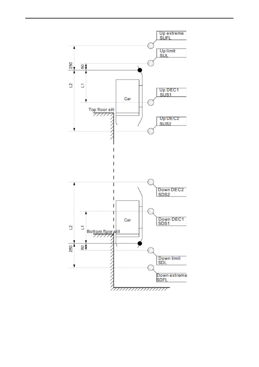
Figure 4-9 Installation position of hoistway switch

Table of Contents

Related product manuals