EasyManua.ls Logo

irinox Freddy 60 - Wiring Diagram

irinox Freddy 60
66 pages
Print Icon
To Next Page IconTo Next Page
To Next Page IconTo Next Page
To Previous Page IconTo Previous Page
To Previous Page IconTo Previous Page
Loading...
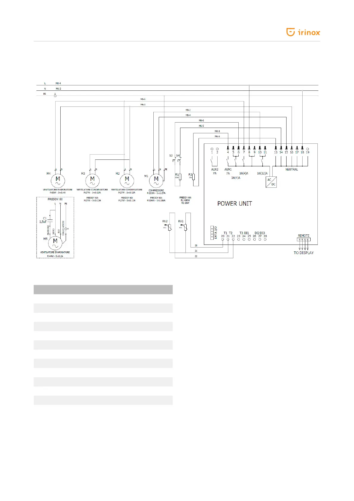
Freddy 13
Wiring diagram
Label Function
C1 Starting condenser
J1 Power board
M1 Compressor
M2-M3 Fan - Condenser
M4-M5 Fan - Evaporator
OUT1-OUT2 Board connector
X1
R1 Cooking heating element
R2 Door heating element
RV1 Air probe
RV2 Core probe
S3-S4 Heating element thermal protector

Table of Contents

Related product manuals