EasyManua.ls Logo

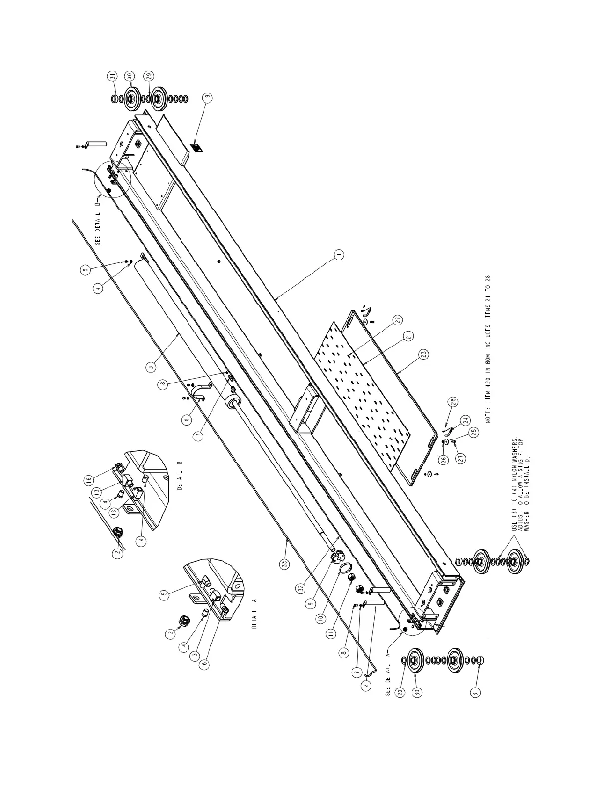
John Bean ALIGNMENT 44218Q - Deck Assembly (Left Side)

John Bean ALIGNMENT 44218Q
76 pages
Print Icon
To Next Page IconTo Next Page
To Next Page IconTo Next Page
To Previous Page IconTo Previous Page
To Previous Page IconTo Previous Page
Loading...
61 of 76
12.5 DECK ASSEMBLY (LEFT SIDE)

Table of Contents

Related product manuals