EasyManua.ls Logo

Keithley 486 - Page 21

Keithley 486
233 pages
Print Icon
To Next Page IconTo Next Page
To Next Page IconTo Next Page
To Previous Page IconTo Previous Page
To Previous Page IconTo Previous Page
Loading...
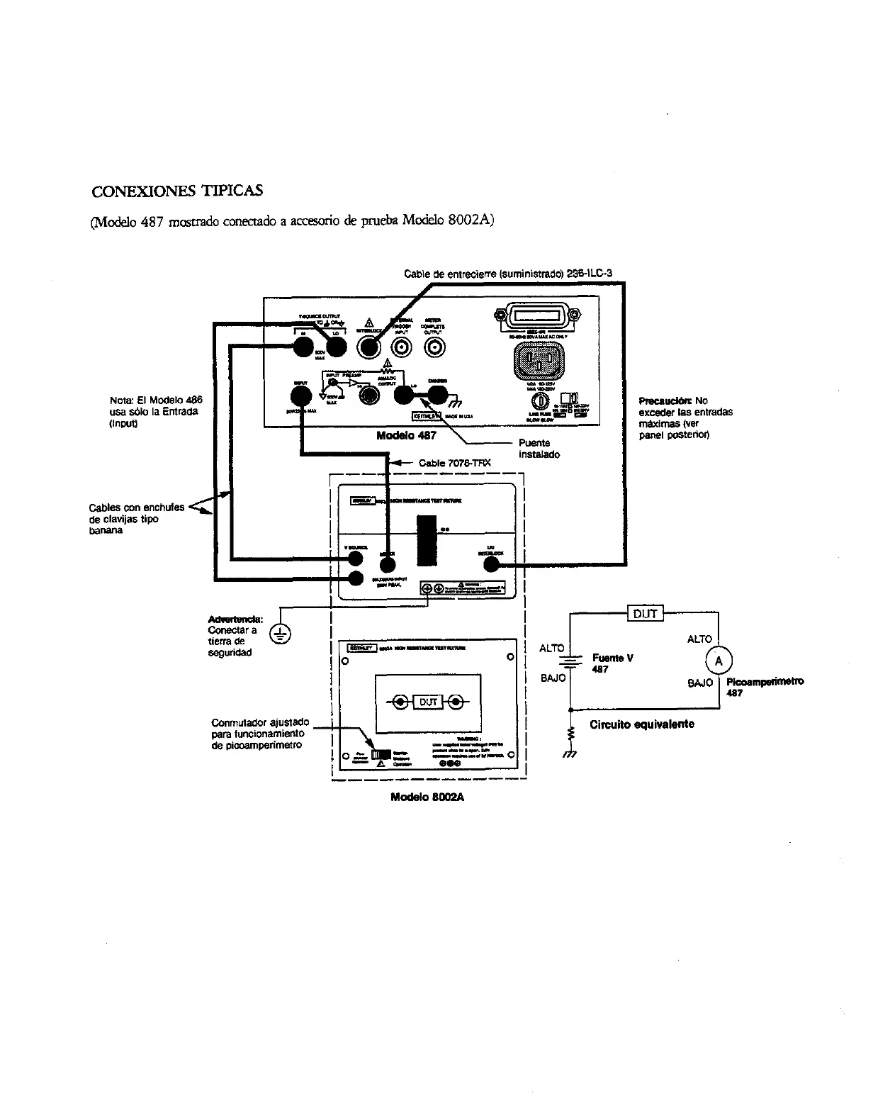
CONEXIONES TIPICAS
(Mod.90 487 mcsuado conmado a arreylrio de pm& M&lo 8002A)
- .--------.
w-P--
i
Circuit0 equivatente

Table of Contents

Other manuals for Keithley 486

Related product manuals