EasyManua.ls Logo

Kollmorgen S700 Series

Kollmorgen S700 Series
206 pages
Go to English
To Next Page IconTo Next Page
To Next Page IconTo Next Page
To Previous Page IconTo Previous Page
To Previous Page IconTo Previous Page
Loading...
S700 Safety Guide | 3 Français
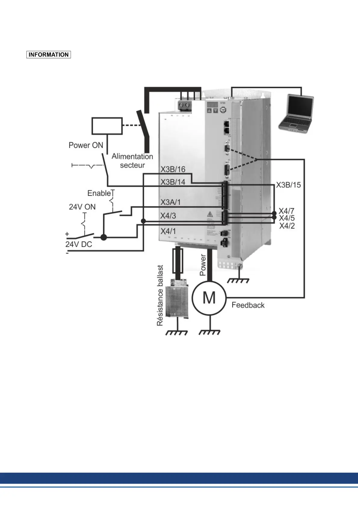
3.7.3.4 Câblage minimal pour le test rapide S748...S772 sans charge
Ce câblage ne remplit pas d’exigences en matière de sécurité ou efficacité du fonc-
tionnement de votre application. Elle ne montre que le câblage minimal cessaire pour le
test rapides.
106 Kollmorgen | wiki-kollmorgen.eu | February 2017

Table of Contents

Other manuals for Kollmorgen S700 Series

Related product manuals