EasyManua.ls Logo

Kollmorgen S700 Series

Kollmorgen S700 Series
206 pages
Go to English
To Next Page IconTo Next Page
To Next Page IconTo Next Page
To Previous Page IconTo Previous Page
To Previous Page IconTo Previous Page
Loading...
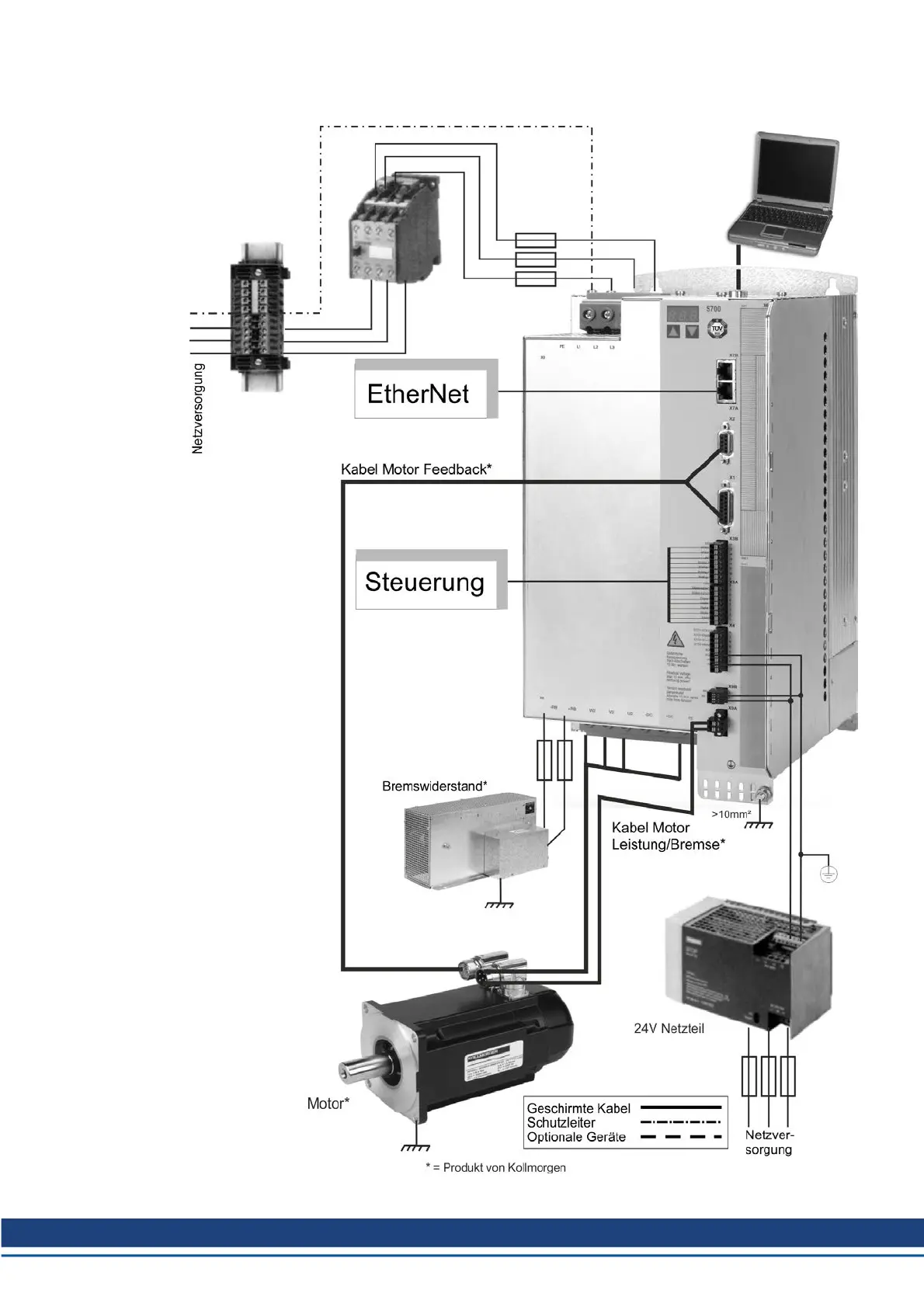
1.4.4 Antriebssystem mit S748...S772
S700 Safety Guide | 1 Deutsch
Kollmorgen | wiki-kollmorgen.eu | February 2017 17

Table of Contents

Other manuals for Kollmorgen S700 Series

Related product manuals