EasyManua.ls Logo

Kollmorgen S700 Series

Kollmorgen S700 Series
206 pages
Go to English
To Next Page IconTo Next Page
To Next Page IconTo Next Page
To Previous Page IconTo Previous Page
To Previous Page IconTo Previous Page
Loading...
S700 Safety Guide | 3 Français
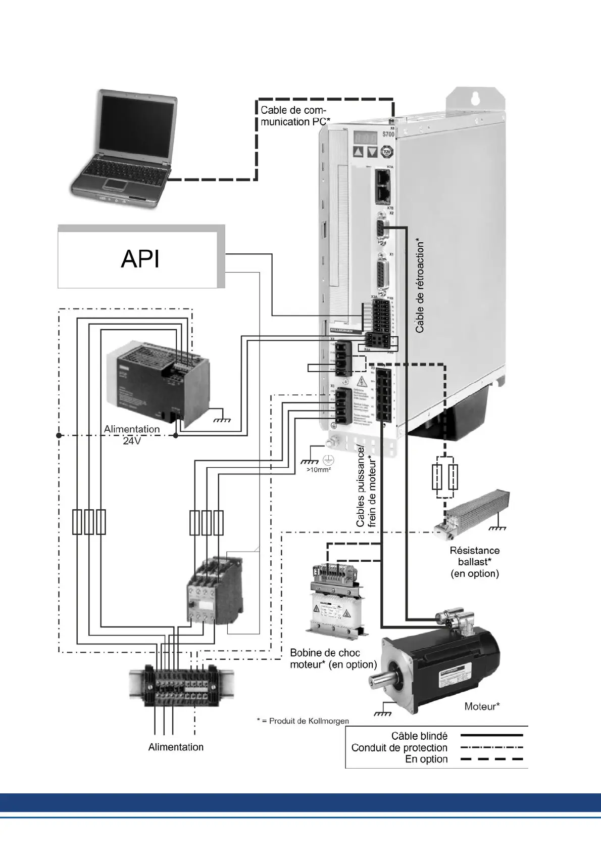
3.4.3 Système d'entraînement avec S701...S724
88 Kollmorgen | wiki-kollmorgen.eu | February 2017

Table of Contents

Other manuals for Kollmorgen S700 Series

Related product manuals