EasyManua.ls Logo

Kollmorgen S700 Series

Kollmorgen S700 Series
206 pages
Go to English
To Next Page IconTo Next Page
To Next Page IconTo Next Page
To Previous Page IconTo Previous Page
To Previous Page IconTo Previous Page
Loading...
S700 Safety Guide | 4 Italiano
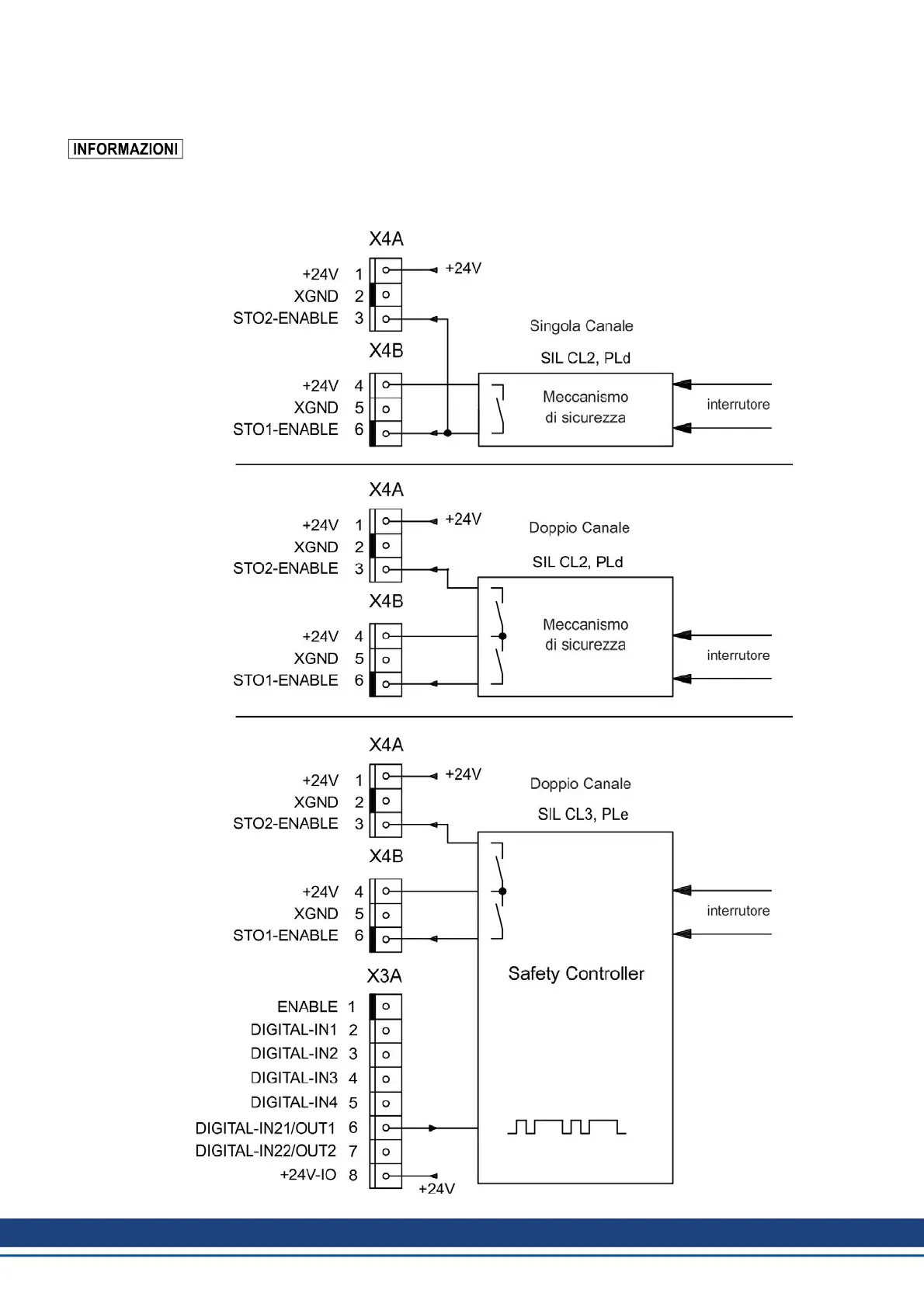
Schemo collegamenti S701...S724
SIL CL3/PLe richiede il controllo periodico della serratura della fase dell’uscita. Di
conseguenza la condizione deve essere collegata ad una delle uscite digitali DIGITAL-
OUT1 o a 2 (X3A/6 o X3A/7) con l’ordine OxMODE70 di ASCII.
132 Kollmorgen | wiki-kollmorgen.eu | February 2017

Table of Contents

Other manuals for Kollmorgen S700 Series

Related product manuals