EasyManua.ls Logo

Kollmorgen S700 Series

Kollmorgen S700 Series
206 pages
Go to English
To Next Page IconTo Next Page
To Next Page IconTo Next Page
To Previous Page IconTo Previous Page
To Previous Page IconTo Previous Page
Loading...
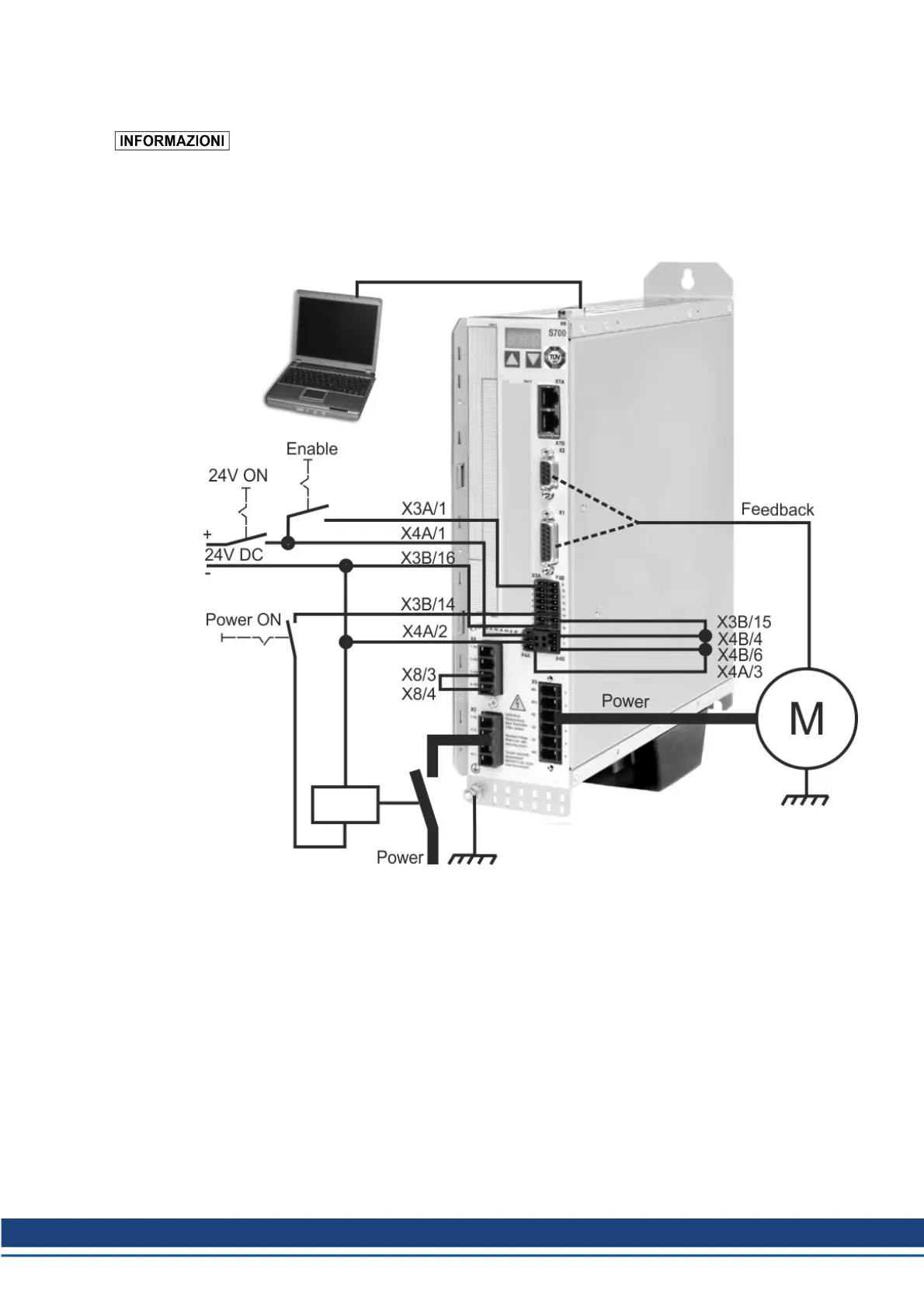
4.7.3.3 Cablaggio minimo richiesto per il test rapido S701...S724 senza carico
Questi collegamenti non soddisfano alcune condizioni a sicurezza o a funzionalità della
vostra applicazione ma mostrano solamente i collegamenti richiesti per provare
l’azionamento senza carico.
S700 Safety Guide | 4 Italiano
Kollmorgen | wiki-kollmorgen.eu | February 2017 141

Table of Contents

Other manuals for Kollmorgen S700 Series

Related product manuals