EasyManua.ls Logo

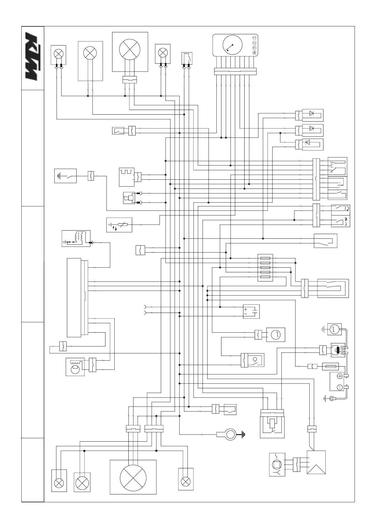
KTM 400 LS-E/MIL - WIRING DIAGRAM AND CABLE COLORS; Motorcycle Wiring Diagram Overview; Electrical Cable Color Key

KTM 400 LS-E/MIL
50 pages
Print Icon
To Next Page IconTo Next Page
To Next Page IconTo Next Page
To Previous Page IconTo Previous Page
To Previous Page IconTo Previous Page
Loading...
Cable colors
sw: black
ge: yellow
bl: blue
gn: green
rt: red
ws: white
br: brown
or: orange
rs: pink
gr: gray
vi: violet
gn-bl
re
or
y
aler yrallixua trats
br-pi
or
pu kciP
or
bl-bu
or
bl
U
rb
-
h
w
br br-bl
br-bl
wh
gn
br
or
gn
A
02
r
ot
om
r
e
t
r
ats
rehsalf raer thgi
r
pi
y
re
tt
a
by
a
l
e
r
t
r
a
t
s
u
b
l
b
-ey
002.571.11.975 - ssenrah niam
hw-
e
r
bu-re
°t
N
margaid gniriw
ye
hc
t
i
ws
h
c
t
ulc
hctiws ekarb
A
010
1
0
1
0101
fuse box
ub
rb
AA
A
A
ye-re
rb
rotce
le
s
enat
co
r
b
wh
rb
3002.11.82
ro
rehs
a
lf tnorf t
fel
gr
bl
hw
hw-
n
g
head light flascher
rof rotcennoc
gnih
t
aeh
pi
rg
bl-or
ignition coil
e
y
ed
o
id
hc
tiw
s
e
g
a
l
f
u
om
a
c
U
C
E
bu-wh
ye
rb
up
l
b
lb
ng
up
re
hs
alf t
n
o
r
f
t
hgir
bl-wh
h
ct
i
w
s
eru
t
arepmet
G
h
ct
iw
s
maeb
wo
l
/hg
ih
hc
tiws
nr
oh
hct
iws
r
e
h
sal
f
ro
t
i
c
apa
c
tekcos
rb
rb
hctiw
s
l
a
rt
u
en
br
headlight
th
gi
l
gnikra
p
M
o
t
alugerreifitcer-r
M
n
a
f
gn
i
l
o
o
c
bu-bl
gn-re
gn-br
400 LS-E/mil 2004
gn-bl
wh
ye
h
c
t
i
w
s p
o
t
s
/t
ra
t
s
re-wh
nroh
er
G
3
gn-bl
yaler
rehsa
l
f
h
c
t
i
w
s
no
i
t
ing
i
e
d
o
id
rear light/brakelight
bu
bu-wh
hw
edoid
gr
ye-bu
ye-bu
or
h
ctiws
e
ruta
r
epmet
br
rear
ye-bu
ye-or
bl-or
ye
ye-re
re-wh
lb
pmal etalp ecnecil
re-wh
re
r
b
br
re
h
s
al
f
re
ar
t
fel
r
aer
bl-or
br-bl
br-bl
br
re
br
ye
gn-wh
wh
br
e
r
lb-
n
g
u
b
-e
y
light system 2
brake switch
start system 1
r
o
t
a
re
neg
ye-bu
br
ye-wh
wh
br
ye-wh
gn-bl
ye-bl
h
w
hw-ng
hw
br
ye-or
ye-or
ye-bu
pu
ye-wh
gn
up
wh
speedometer
gn-bl
47

Table of Contents

Related product manuals