EasyManua.ls Logo

KTM 690 - Page 94

KTM 690
105 pages
Print Icon
To Next Page IconTo Next Page
To Next Page IconTo Next Page
To Previous Page IconTo Previous Page
To Previous Page IconTo Previous Page
Loading...
5C.1/
6131#
5D.2/
4111#
7D.1/
2111#
3D.1/
1111#
1D.1/
6711
#
1C
.1/
4031#
1D.1
/
1811#
6D.
2
/
5431
#
5D.1/
1711#
7E.
1
/
37
01#
7E.1/
2701#
7
E.1/
0031
#
7D.1/
0031#
1D.1/
6811#
1B.1/
0911#
1B.1/
8811#
1
C
.1/
5711#
1
2
-H11
C_CJ/2
C_CW/2
C_CX/2
-H3
1
2
C_CW/2
C_CX/2
-H2
1
2
C_CW/2
C_CX/2
-H4
1
2
C_CW/2
C_CX/2
-H1
1
2
G
2/HA_C
2K-
1
2
2/
H
A
_C
2/KA_C
7S-
1
2
R
L
2
1
3
3/JA_C
3/G
B
_C
8S-
2/HA_C
2/
KA_C
1S-
1
2
1
2
-H12
C_CJ/2
31H-
1
2
2/DC_C
2/LB
_C
2A-
1
2
2/DC_C
2/LB_C
1A-
1
2
2
/DC_C
2/LB_C
4A-
1
2
2/DC_C
2/LB_C
3A-
1
2
103X-
604X-
305X-
105X-
504X-
202X-
205X-
102X-
C_CB/6
C_BC/6
-X300
1
23
4
2.1
2.22.32.4
5
6
2.52.6
C_AK/2
C_AH/2
-X401
1
2
2.1
2.2
C_AK/2
C_AH/2
-X402
1
2
2.1
2.2
C_AK/2
C_AH/2
-X404
1
2
2.1
2.2
2/LB_C
2/DC_C
005X-
1
2
1.2
2.2
C_AB/9
C_BB/9
-X400
1
23
4
2.1
2.2 2.3 2.4
5
6
78
9
2.5 2.6 2.7 2.8 2.9
C_BA/1
C_BF/1
-X302
1
2.1
3S-
1
1
2
-H6
1
2
-H10
1
2
-H8
1
2
-H7
C_DI/2
1
2
91H-
1
2
81H-
1
2
71H-
1
2
61H-
1
2
51H-
3C.1/
7131#
303X-
704X-
IH
OL
t
hgil.P
4
32
1
5
1
6/CA_C
1/
AB_C
1/
F
B_C
6/CB_C
9S-
6C.1/
2431#
C_AH/2
C_AH/2
-A5
1
2
1
2
-H14
C_DI/2
1
23
4
C_CV/4
C_BY/4
-H5
C_AK/2
C_AH/2
-X403
1
2
2.1
2.2
C_BF/1
C_BA/1
-X304
1
2
2.1
2.2
C_BF/1
C_BA/1
-X305
1
2
2.1
2.2
C_CY/3
C_CZ/3
C_DA/4
C_DB/4
C_CW/2
C_CX/2
1
2
1
23
1
23
4
-P1
G
-B3
1
2
6
62
62
52
52
82
82
92
92
13
13
0404
34
34
54
54
74
74,64
46
9
4
49
05
05
45
45
58
57
59
95
06
60
67
16
71
61
2
6
62
73
56
66
86,76
68
74
72
70
07
69,71,72,73,74
96
76
68,78,57
76
77
77
78
82
0
8,97,87
18
18
79
5
8,48,28
38
38
84
5
8
98
88
98,88
09
09
19
29
29
3
9
39
49
49
6
9
89
79
201
101
721
821
621
311
2
11
111
601
401
105
122
110
128
127
108
109
110
1
11
521
4
21
211
5
1
1
12
1
91
1
711
611,711,
4
11
,
811,
511,311
411
32
1
021
,91
1
,22
1,521,0
31,1
21,321,
421,
6
21
85,75
129
130
118
105,104
107
103
129
301
78
08
75
68
001
66,56
59
99
84
91
91
201,101,99,
001,8
9,19
96,97,95
6
11
0
21
701,90
1,601,80
1
3/3
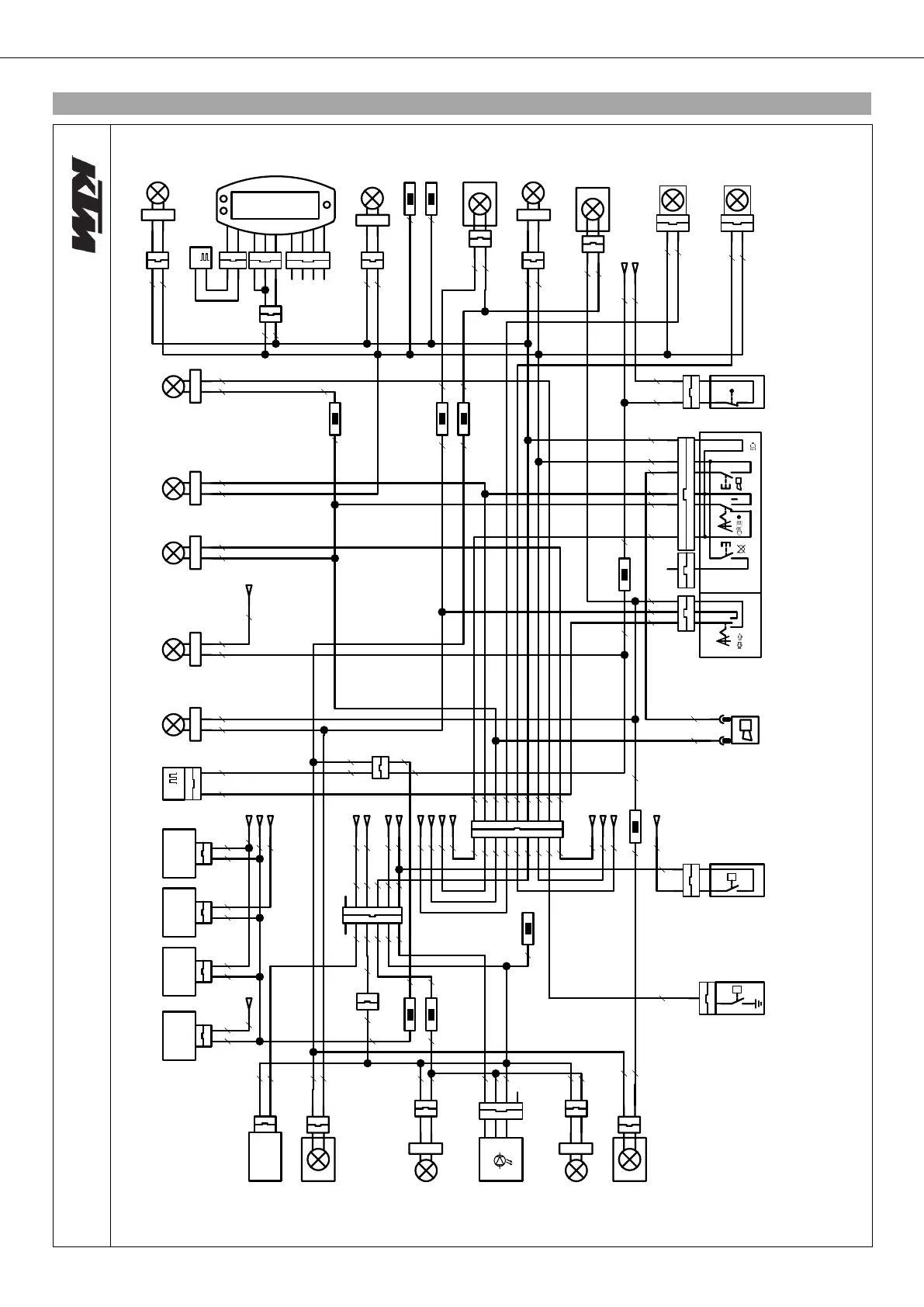
WIRING DIAGRAM 92
19.3690 Rally Factory Replica 3 of 3
400351-10

Table of Contents

Related product manuals