EasyManua.ls Logo

Kyocera KM-2020

Kyocera KM-2020
217 pages
To Next Page IconTo Next Page
To Next Page IconTo Next Page
To Previous Page IconTo Previous Page
To Previous Page IconTo Previous Page
Loading...
1-3-11
2C9
Figure 1-3-20
Figure 1-3-21
Figure 1-3-19
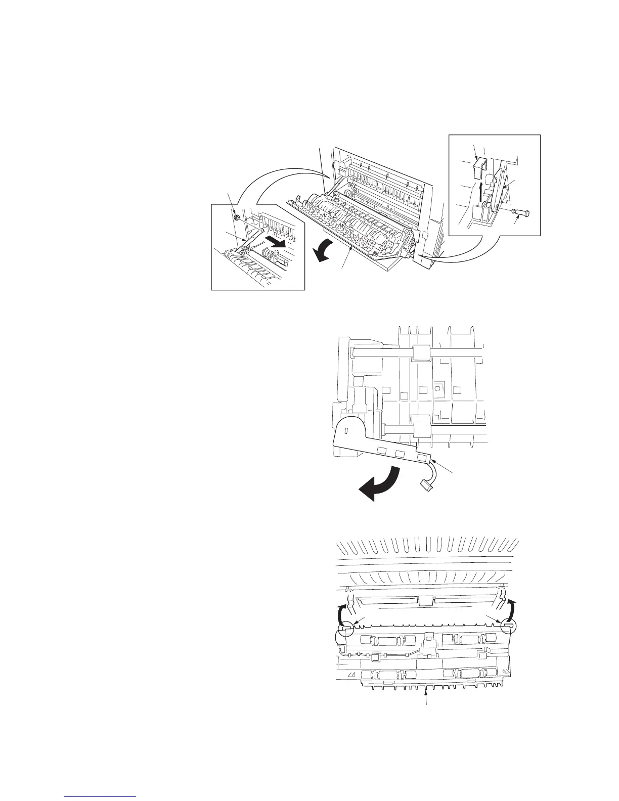
1-3-5 Installing the duplex unit (option)
Left cover
Strap
Stop
ring
Fitting projection
Pin
Stopper
Wire guide section
Du
p
lex unit
Axis section
Axis section
<Procedure>
1. Open the left cover.
2. Remove the stop ring and the strap from the rear
side.
3. Restore the conveyor section.
4. Remove the fitting projection and pin, and then
remove the stopper from the front side.
5. Open the left cover until it is put horizontally.
6. Turn the wire guide section of the duplex unit in the
direction indicated by the arrow.
7. Insert the axis sections of the duplex unit into the U-
shape grooves of the conveyer unit.

Table of Contents

Other manuals for Kyocera KM-2020

Related product manuals