EasyManua.ls Logo

Laars FTCF140 - Zoning with Circulation Pumps

Laars FTCF140
92 pages
Print Icon
To Next Page IconTo Next Page
To Next Page IconTo Next Page
To Previous Page IconTo Previous Page
To Previous Page IconTo Previous Page
Loading...
Page 44
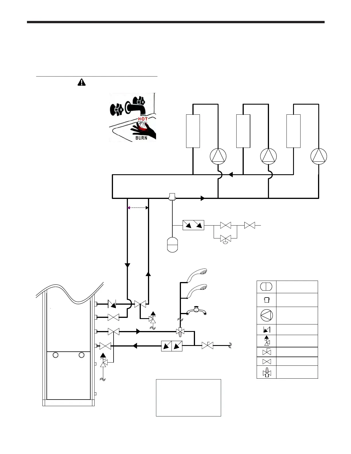
4.14.5 Zoning with Circulation Pumps
- Each heating zone of a pump based system has its own circulator pump which runs when the zone needs it.
- Each zone thermostat goes to a controller which controls the pumps.
(CH SUPPLY)
3/4" PIPE
(DHW OUTLET)
Backflow
preventer
3/4" PIPE
(DHW INLET)
(CH RETURN)
(DHW SUPPLY)
Circulation pump
Flow Check valve
Expansion tank
Air separator
Diaphragm Type
Pressure relief valve
Ball valve
Isolation valve
PRIMARY LOOP
(SPACE HEATING)
1”
Min
Piping
Do not
exceed
12"
See
Note
Anti-scald rated
Mixing Valve
ZONE 1
ZONE 2
ZONE 3
SECONDARY LOOP
(SPACE HEATING)
Auto Fill Valve
and Backow
Preventer Valves are
NOT included (Field
Supplied).
CAUTION
Scalding Risk: Manufacturer
strongly recommends the
use of an anti-scald mixing
valve at domestic hot water
outlet (boiler location) to
reduce potential for scalding.
Contact Manufacturer for
recommended models.
Check with local
codes.
__________________________________________

Table of Contents

Related product manuals